无感波浪功率电阻器 无感波纹绕线电阻器
(DQN)- “DQ 系列” 栏目分页:
- 1. 波纹绕线电阻器、波浪线绕电阻器、大功率电阻器 - DQ 不燃性 系列
- 2. 无感波浪功率电阻器 - DQ -*N 系列
需要低感工作环境,用德键无感波浪型功率电阻器 - DQ-*N 系列
DQ-*N 功率波浪型无感电阻器系列,采用 Ayrton Perry 无感绕线法来消除电感寄生效应,从而使电感量降到最低,适用于高能耗,高温环境。
并且于同样的功率下,DQ-*N 波浪型电阻器的体积只有 DR 系列的一半。
无感(低感量) :
采用 Ayrton Perry 无感绕线法,如需订购此类产品,请于产品料号尾码加上 "N" 。
阻值公差 :
K(±10%), J(±5%), H(±3%)
无感波浪型 (DQAN) 75W ~ 2000W 尺寸
|
||||||||||||||||
| 功率 | 尺寸(单位: mm) | 阻值范围 | ||||||||||||||
| A | B | C | D | E | F | G | H | I | J | K | L | M | O | |||
| 75W | 110 | 25 | 16 | 30 | 8 | 150 | 5 | 18 | 6 | 166 | 58 | 1.2 | 6 | 27 | 1.5~8Ω | |
| 90W | 90 | 28 | 18 | 32 | 8 | 130 | 5 | 19 | 6 | 146 | 60 | 1.2 | 6 | 27 | 1.5~9Ω | |
| 120W | 110 | 28 | 18 | 32 | 8 | 150 | 5 | 19 | 6 | 166 | 60 | 1.2 | 6 | 27 | 2~12Ω | |
| 150W | 140 | 28 | 18 | 32 | 8 | 180 | 5 | 19 | 6 | 196 | 60 | 1.2 | 6 | 27 | 2~15Ω | |
| 180W | 160 | 28 | 18 | 32 | 8 | 200 | 5 | 19 | 6 | 216 | 60 | 1.2 | 6 | 27 | 3~18Ω | |
| 225W | 195 | 28 | 18 | 32 | 8 | 235 | 5 | 19 | 6 | 251 | 60 | 1.2 | 6 | 27 | 3~23Ω | |
| 240W | 185 | 35 | 24 | 36 | 10 | 225 | 5 | 19 | 8 | 245 | 76 | 1.6 | 6 | 34 | 5~24Ω | |
| 300W | 210 | 35 | 24 | 36 | 10 | 250 | 5 | 19 | 8 | 274 | 76 | 1.6 | 6 | 34 | 5~30Ω | |
| 375W | 210 | 40 | 25 | 38 | 12 | 250 | 5 | 20 | 8 | 274 | 78 | 1.6 | 6 | 34 | 6~38Ω | |
| 450W | 260 | 40 | 25 | 38 | 12 | 300 | 5 | 20 | 8 | 320 | 78 | 1.6 | 6 | 34 | 6~45Ω | |
| 600W | 330 | 40 | 25 | 38 | 12 | 370 | 5 | 20 | 8 | 395 | 78 | 1.6 | 6 | 34 | 7~60Ω | |
| 750W | 330 | 50 | 35 | 50 | 12 | 380 | 6 | 25 | 9 | 400 | 100 | 1.6 | 8 | 40 | 8~75Ω | |
| 900W | 400 | 50 | 35 | 50 | 12 | 450 | 6 | 25 | 9 | 470 | 100 | 1.6 | 8 | 40 | 8~90Ω | |
| 1000W | 460 | 50 | 35 | 50 | 12 | 510 | 6 | 25 | 9 | 530 | 100 | 1.6 | 8 | 40 | 12~100Ω | |
| 1200W | 460 | 60 | 40 | 55 | 15 | 515 | 6 | 30 | 10 | 535 | 110 | 1.6 | 10 | 50 | 12~120Ω | |
| 1500W | 540 | 60 | 40 | 55 | 15 | 595 | 6 | 30 | 10 | 615 | 110 | 1.6 | 10 | 50 | 15~150Ω | |
| 2000W | 650 | 65 | 42 | 62 | 15 | 702 | 6 | 30 | 10 | 722 | 115 | 1.6 | 10 | 50 | 15~200Ω | |
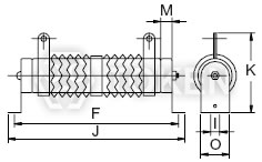
无感波纹型 (DQBN) 30W ~ 20000W 尺寸
|
||||||||||||
| 功率 | 尺寸 (Unit: mm) | 阻值范围 | ||||||||||
| R | L1 | L2 | L3 | H | N | d | M | q | Q | |||
| 30W | 20 | 70 | 100 | 120 | 50 | 6 | 3.5 | 5 | 5 | 20 | 2~1KΩ | |
| 40W | 20 | 87 | 115 | 137 | 50 | 6 | 3.5 | 5 | 5 | 20 | 2~1KΩ | |
| 50W | 28 | 90 | 122 | 143 | 68 | 9 | 4.5 | 5.5 | 6 | 28 | 5~1KΩ | |
| 80W | 28 | 90 | 122 | 143 | 68 | 9 | 4.5 | 5.5 | 6 | 28 | 5~2KΩ | |
| 100W | 28 | 170 | 202 | 223 | 68 | 9 | 4.5 | 5.5 | 6 | 28 | 10~3KΩ | |
| 150W | 28 | 215 | 247 | 268 | 68 | 9 | 4.5 | 5.5 | 6 | 28 | 10~3KΩ | |
| 200W | 28 | 267 | 299 | 320 | 68 | 9 | 4.5 | 5.5 | 6 | 28 | 10~5KΩ | |
| 250W | 28 | 267 | 299 | 320 | 68 | 9 | 4.5 | 5.5 | 6 | 28 | 10~5KΩ | |
| 300W | 40 | 267 | 305 | 343 | 90 | 10 | 4.5 | 6 | 6 | 40 | 20~5KΩ | |
| 400W | 40 | 330 | 367 | 406 | 90 | 10 | 4.5 | 6 | 6 | 40 | 20~5KΩ | |
| 500W | 50 | 330 | 370 | 415 | 98 | 10 | 6 | 8.5 | 8 | 50 | 20~5KΩ | |
| 600W | 50 | 330 | 370 | 415 | 98 | 10 | 6 | 8.5 | 8 | 50 | 20~5KΩ | |
| 700W | 50 | 400 | 440 | 485 | 95 | 10 | 6 | 8.5 | 8 | 50 | 20~5KΩ | |
| 800W | 70 | 300 | 331 | 362 | 135 | 15 | 8 | - | 8 | 70 | 40~500Ω | |
| 1000W | 70 | 300 | 331 | 362 | 135 | 15 | 8 | - | 8 | 70 | 40~500Ω | |
| 1500W | 70 | 415 | 446 | 477 | 135 | 15 | 8 | - | 8 | 70 | 40~500Ω | |
| 2000W | 70 | 510 | 541 | 572 | 135 | 15 | 8 | - | 8 | 70 | 40~500Ω | |
| 2500W | 70 | 600 | 631 | 662 | 135 | 15 | 8 | - | 8 | 70 | 40~500Ω | |
| 3000W | 70 | 600 | 631 | 662 | 135 | 15 | 8 | - | 8 | 70 | 40~500Ω | |
| 4000W | 100 | 430 | 468 | 521 | 155 | 15 | 8 | - | 8 | 100 | 40~500Ω | |
| 5000W | 100 | 500 | 538 | 591 | 155 | 15 | 8 | - | 8 | 100 | 40~500Ω | |
| 6000W | 100 | 600 | 638 | 691 | 155 | 15 | 8 | - | 8 | 100 | 40~500Ω | |
| 10000W | 150 | 600 | 640 | 720 | 260 | 30 | 8 | - | 10 | 150 | 40~500Ω | |
| 12000W | 150 | 660 | 700 | 780 | 260 | 30 | 8 | - | 10 | 150 | 40~500Ω | |
| 15000W | 150 | 660 | 700 | 780 | 260 | 30 | 8 | - | 10 | 150 | 40~500Ω | |
| 20000W | 150 | 1000 | 1040 | 1120 | 260 | 30 | 8 | - | 10 | 150 | 40~500Ω | |
功率波浪型 (DQ) 电气特性规格
| 项目 | 试验方法 | 性能 |
| 电阻值容许公差 | JIS-C-5202 5-1 | Resistance |
| 电阻温度特性 | JIS-C-5202 5-2 | ±400PPM/°C MAX |
| 定格负荷 | JIS-C-5202 5-4 | ΔR/R≤ ±(0.5%+0.1Ω) Surface temperature up 350°C MAX |
| 短时间过负荷 | JIS-C-5202 5-5 500% rated wattage 5 seconds |
Free of appearance or structural irregularity ΔR/R≤ ±(2%+0.1Ω) |
| 绝缘抵抗 | JIS-C-5202 5-6 500VDC | 100MΩ min |
| 耐电压 | JIS-C-5202 5-7 1000VDC 1 minute Between terminal and anchor stand |
Free of appearance or structural irregularity ΔR/R≤ ±(0.1%+0.05Ω) |
| 端子强度 | JIS-C-5202 6-1 8kg 30 seconds | Free of appearance or structural irregularity |
| 耐振性 | JIS-C-5202 6-3 1.5m/m 10 ~ 50 ~ 10 Hz/min X-Y-Z 2 hours each |
Free of appearance or structural irregularity Surface coating crack ΔR/R≤ ±(1%+0.05Ω) |
| 热冲击 | JIS-C-5202 7-3 Room temp 30 minutes ON-55°C 15 minutes OFF |
Free of structural irregularity ΔR/R≤ ±(1%+0.05Ω) |
| 耐湿性 | JIS-C-5202 7-5 40°C 90%RH 240 hours |
Free of appearance or structural irregularity Surface coating crack ΔR/R≤ ±(3%+0.1Ω) |
| 耐久性 | JIS-C-5202 7-10 90 minutes ON - 30 minutes OFF500 hours |
Free of appearance or structural irregularity Surface coating crack ΔR/R≤ ±(5%+0.1Ω) |
| 难燃性 | JIS-C-5202 7-13-3-2 100% - 600% rated wattage load |
US UL-94 flame retardation test V-0 grade noncombustible |
| 备注: | 1. Resistance and resistance tolerance were tested in-house with micro resistance meter. 2. Coating refers to UL-certified data provided by supplier |
|
无感波浪型功率电阻器 (DQ) 料号标识
| DQA | 1500W | 100R | K | G | ||||||||||||||||||||||||||||||||||||||||
| 1 | 2 | 3 | 4 | 5 | ||||||||||||||||||||||||||||||||||||||||
|
|
|
|
|
||||||||||||||||||||||||||||||||||||||||
功率电阻器 (DQ-*N) 变阻器规格书
管型绕线功率电阻器、变阻器 (DQ-*N) 规格书下载 (464KB)。
可调功率电阻器、滑动变阻器、绕线电阻器全系列说明书下载 (1,818KB)。
变阻器、功率线绕电阻器概述及相关说明下载 (256KB)。
绕线可调电阻及功率变阻器应用说明书下载 (244KB)。
电阻器 (R) 说明书及相关资料说明书下载 (472KB)。
各类型电阻器使用注意事项说明书下载 (444KB)。
电阻器常用技术用语说明书下载 (434KB)。
绕线功率电阻器术语说明书下载 (295KB)。
选择最佳性能电阻的具备条件下载 (284KB)。




