可调线绕电阻器 滑线变阻器
波浪型大功率 (DQS)德键(DQS)可调整功率电阻器适合大电流应用,符合高功率、高精密、低成本。
波浪型可调线绕电阻器 DQS 系列,一直是德键电子多年的主要产品。DQS 可调系列有可称为滑线变阻器,滑动式电阻器,可调变阻器等。 波浪可调电阻器常被特别应用于低阻值范围和高功率的高能量、高功耗。
德键 DQS 系列采用精密绕线设计工艺均匀的绕组,可以提供比一般标准的线绕电阻器更高的电阻值,并节省很大的空间和成本,对许多标准绕线电阻器,德键 DQS 可调系列是理想的替代品。
特性:
- 阻值公差:K(±10%), J(±5%), H(±3%)。
- 可调式波浪型功率电阻器。
- 适用于高能耗,大电流,低阻抗设备。
- 重型电阻设计,适用于开,关,启动循环设备。
- 空心圆管型设计,易于簧片螺丝锁付。
- 可提供玻璃釉被覆,不然性漆被覆。
额定功率:
- 额定功率的说明,只适用于当整个电阻在电路中。于 25°C 对流空气。
- 将调整杆/片移置电阻器的中间点时,额定功率减少了大约相同比例的行程。
- 例如:如果调整杆/片定为一半的阻值,则功率减少大约一半。
- 功率与调整的电阻值成正比。
- 可调节范围为 10% 至 90% 满电阻值。
附件选项:
- 可调式线绕,滑线式线绕,固定式线绕,或梯度型线绕样式都可提供。
- 可提供非标准型的端子,及客户自定一设计规格。
- 可以指定单,双快速连接终端子。
- 可提供调整杆/片含或不含端子五金件。
- 可以指定 Ayrton Perry 无感型可调线绕电阻器,滑线变阻器。
- 可以指定特别温度系数,及公差。
计算最大电流安培:
- 电压 = (功率 x 阻值) 1/2
德键功率可调电阻器 DQS 系列符合 RoHS 和无铅标准。以上规格外的技术、参数要求和客户定制特殊用途,请与德键业务部门联系。
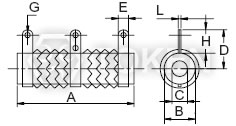
波浪型可调电阻器 (DQS) 75W ~ 2000W 尺寸
|
||||||||||||||||
| 功率 | 尺寸 (Unit: mm) | 最大可选阻值(Ω) 条件说明 | ||||||||||||||
| A | B | C | D | E | F | G | H | I | J | K | L | M | O | |||
| 75W | 110 | 25 | 16 | 30 | 8 | 150 | 5 | 18 | 6 | 166 | 58 | 1.2 | 6 | 27 | 1.5~8Ω | |
| 90W | 90 | 28 | 18 | 32 | 8 | 130 | 5 | 19 | 6 | 146 | 60 | 1.2 | 6 | 27 | 1.5~9Ω | |
| 120W | 110 | 28 | 18 | 32 | 8 | 150 | 5 | 19 | 6 | 166 | 60 | 1.2 | 6 | 27 | 2~12Ω | |
| 150W | 140 | 28 | 18 | 32 | 8 | 180 | 5 | 19 | 6 | 196 | 60 | 1.2 | 6 | 27 | 2~15Ω | |
| 180W | 160 | 28 | 18 | 32 | 8 | 200 | 5 | 19 | 6 | 216 | 60 | 1.2 | 6 | 27 | 3~18Ω | |
| 225W | 195 | 28 | 18 | 32 | 8 | 235 | 5 | 19 | 6 | 251 | 60 | 1.2 | 6 | 27 | 3~23Ω | |
| 240W | 185 | 35 | 24 | 36 | 10 | 225 | 5 | 19 | 8 | 245 | 76 | 1.6 | 6 | 34 | 5~24Ω | |
| 300W | 210 | 35 | 24 | 36 | 10 | 250 | 5 | 19 | 8 | 274 | 76 | 1.6 | 6 | 34 | 5~30Ω | |
| 375W | 210 | 40 | 25 | 38 | 12 | 250 | 5 | 20 | 8 | 274 | 78 | 1.6 | 6 | 34 | 6~38Ω | |
| 450W | 260 | 40 | 25 | 38 | 12 | 300 | 5 | 20 | 8 | 320 | 78 | 1.6 | 6 | 34 | 6~45Ω | |
| 600W | 330 | 40 | 25 | 38 | 12 | 370 | 5 | 20 | 8 | 395 | 78 | 1.6 | 6 | 34 | 7~60Ω | |
| 750W | 330 | 50 | 35 | 50 | 12 | 380 | 6 | 25 | 9 | 400 | 100 | 1.6 | 8 | 40 | 8~75Ω | |
| 900W | 400 | 50 | 35 | 50 | 12 | 450 | 6 | 25 | 9 | 470 | 100 | 1.6 | 8 | 40 | 8~90Ω | |
| 1000W | 460 | 50 | 35 | 50 | 12 | 510 | 6 | 25 | 9 | 530 | 100 | 1.6 | 8 | 40 | 12~100Ω | |
| 1200W | 460 | 60 | 40 | 55 | 15 | 515 | 6 | 30 | 10 | 535 | 110 | 1.6 | 10 | 50 | 12~120Ω | |
| 1500W | 540 | 60 | 40 | 55 | 15 | 595 | 6 | 30 | 10 | 615 | 110 | 1.6 | 10 | 50 | 15~150Ω | |
| 2000W | 650 | 65 | 42 | 62 | 15 | 702 | 6 | 30 | 10 | 722 | 115 | 1.6 | 10 | 50 | 15~200Ω | |
波浪型可调线绕功率电阻器 (DQS) 电气特性规格
| 项目 | 试验方法 | 性能 |
| 电阻值容许公差 | JIS-C-5202 5-1 | Resistance |
| 电阻温度特性 | JIS-C-5202 5-2 | ±400PPM/°C MAX |
| 定格负荷 | JIS-C-5202 5-4 | ΔR/R≤±(0.5%+0.1Ω) Surface temperature up 350°C MAX |
| 短时间过负荷 | JIS-C-5202 5-5 500% rated power 5 seconds |
Free of appearance or structural irregularity ΔR/R≤±(2%+0.1Ω) |
| 绝缘抵抗 | JIS-C-5202 5-6 500VDC | 100MΩ min |
| 耐电压 | JIS-C-5202 5-7 1000VDC 1 minute Between terminal and anchor stand |
Free of appearance or structural irregularity ΔR/R≤±(0.1%+0.05Ω) |
| 端子强度 | JIS-C-5202 6-1 8kg 30 seconds | Free of appearance or structural irregularity |
| 电阻器强度 | JIS-C-5202 6-2 30kg 30 seconds | Free of appearance or structural irregularity |
| 耐振性 | JIS-C-5202 6-3 1.5m/m 10 ~ 50 ~ 10 Hz/min X-Y-Z 2 hours each |
Free of appearance or structural irregularity Surface coating crack ΔR/R≤±(1%+0.05Ω) |
| 热冲击 | JIS-C-5202 7-3 Room temp 30 minutes ON-55°C 15 minutes OFF |
Resistor free of structural irregularity ΔR/R≤±(1%+0.05Ω) |
| 耐湿性 | JIS-C-5202 7-5 40°C 90%RH 240 hours |
Free of appearance or structural irregularity Surface coating crack ΔR/R≤±(3%+0.1Ω) |
| 耐久性 | JIS-C-5202 7-10 90 minutes ON - 30 minutes OFF500 hours |
Free of appearance or structural irregularity Surface coating crack ΔR/R≤±(5%+0.1Ω) |
| 难燃性 | JIS-C-5202 7-13-3-2 100% - 600% rated power load |
US UL-94 flame retardation test V-0 grade noncombustible |
| 备注: | 1. Resistance and resistance tolerance were tested in-house with micro resistance meter. 2. Resistor coating refers to UL-certified data provided by supplier. |
|
如何决定 DQS,DSRA,DSRB,BSR,FVR,BSQ 最大的应用阻值
- 可调电阻或变阻器的可调阻值范围,从起始阻值(最小可调阻值)到最终阻值(最大可调阻值)
- 第一步,我们要先决定可调阻值器的最终阻值(最大可调阻值)
- 第二步,最终阻值(最大可调阻值)决定后,电阻线径及线绕的间距和长度,就可以依据陶瓷管长度及管径来计算起始阻值(最小可调阻值)。
可调电阻的额定功率:
FVR, DQS, DSRA, DSRB, BSR, BSQ 料号说明:
型号
- 额定功率 (W)
- 最大可调阻值 (Ω)
- 阻值公差
型号是指 DQS,DSRA,DSRB,BSR,FVR,BSQ。
额定功率是指调到到最终阻值(最大可调阻值)时,可持续应用到线绕电阻本身的最大功率。
最大可调阻值 (Ω) 是指线绕电阻最大可用的电阻值。
阻值公差是指线绕电阻在最大可调阻值时与标称值的偏差值,通常以百分比表示。
1. 可调电阻的额定功率是由最大可调阻值与额定电压决定。
2. 当你调节可调电阻,从最终阻值(最大可调阻值)到起始阻值(最小可调阻值)时,电阻值将随功率递减而递减。
注意:
- 可调电阻的可调范围为可调阻值范围的 10% 到 90%。
- 功率与电阻值成线性正比例。
额定功率:
- 于 25°C 自由空气流动下,所述的额定功率仅适用于整个电阻在电路中。
- 将调整环设置在一个中间点时,减少的功率大约同比调整的距离。
- 例如:将调整环调到全程的一半阻值时,功率也大约递减了一半。
如你需要设计为"电流于全程调节时为一定值",请与德键业务人员联系。
波浪型可调线绕大功率电阻器 (DQS) 料号标识
| DQS | 1500W | 10R | K | G | ||||||||||||||||||||||||||||||||
| 1 | 2 | 3 | 4 | 5 | ||||||||||||||||||||||||||||||||
|
|
|
|
|
||||||||||||||||||||||||||||||||
功率电阻器 (DQS) 变阻器规格书
电阻器 (R) 说明书及相关资料说明书下载 (472KB)。
各类型电阻器使用注意事项说明书下载 (444KB)。
电阻器常用技术用语说明书下载 (434KB)。
绕线功率电阻器术语说明书下载 (295KB)。
选择最佳性能电阻的具备条件下载 (284KB)。
管型绕线功率电阻器、变阻器 (DQS) 规格书下载 (464KB)。
可调功率电阻器、滑动变阻器、绕线电阻器全系列说明书下载 (1,818KB)。
变阻器、功率线绕电阻器概述及相关说明下载 (256KB)。
绕线可调电阻及功率变阻器应用说明书下载 (244KB)。


