波纹绕线电阻器、波浪线绕电阻器
功率型 (DQ)- “DQ 系列” 栏目分页:
- 1. 波纹绕线电阻器、波浪线绕电阻器、大功率电阻器 - DQ 不燃性 系列
- 2. 无感波浪功率电阻器 - DQ -*N 系列
当电阻寄生电感需要抑制设计时,用德键(DQ)大功率型波纹绕线电阻器。
德键电子波纹绕线电阻器、波浪线绕电阻器、功率型 DQ 系列,是于圆柱形陶瓷管上固定两个引出端子,陶瓷管上缠绕扁带波浪状之合金电阻线,并于表面施以耐高温之不燃性树脂涂装补覆,待电阻体阴干后,经由高温处理固定绝缘,并配装固定脚架而成。由于电阻合金线材受限,可制电阻值范围较低,如需高阻抗时请参考DR系列电阻器。本品可制成多端子,固定低感抗电阻,或半可调整型之各类电阻器。
通用规格:
- 陶瓷管型 - 波浪/波纹线绕电阻器
- 陶瓷管型 - 波浪式线绕低感量电阻器
- 陶瓷管型 - 波浪式线绕可调电阻器
适用于:
- 自动化控制装置,叉车,高架起重机,电梯,弧点焊机。
- 教育建模应用,负载测试,工业机械,电力分配,仪器仪表。
- 叉车,高架起重机,电梯,弧点焊机,电池充电器,机床,输送机,和 UPS 系统。
德键电子生产的管型功率型电阻器 DQ 系列,符合 RoHS 和无铅标准。
本品可制成多端子,低感抗电阻,半可调整型之各类电阻器。德键网站提供大电力、大功率电阻器产品目录下载。若需特殊规格型式,请与德键电子业务联系。
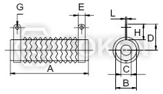
DQ-A 波浪线绕功率电阻 75W ~ 2000W尺寸
|
||||||||||||||||
| 功率 | 尺寸 (Unit: mm) | 阻值范围 | ||||||||||||||
| A | B | C | D | E | F | G | H | I | J | K | L | M | O | |||
| 75W | 110 | 25 | 16 | 30 | 8 | 150 | 5 | 18 | 6 | 166 | 58 | 1.2 | 6 | 27 | 1.5~8Ω | |
| 90W | 90 | 28 | 18 | 32 | 8 | 130 | 5 | 19 | 6 | 146 | 60 | 1.2 | 6 | 27 | 1.5~9Ω | |
| 120W | 110 | 28 | 18 | 32 | 8 | 150 | 5 | 19 | 6 | 166 | 60 | 1.2 | 6 | 27 | 2~12Ω | |
| 150W | 140 | 28 | 18 | 32 | 8 | 180 | 5 | 19 | 6 | 196 | 60 | 1.2 | 6 | 27 | 2~15Ω | |
| 180W | 160 | 28 | 18 | 32 | 8 | 200 | 5 | 19 | 6 | 216 | 60 | 1.2 | 6 | 27 | 3~18Ω | |
| 225W | 195 | 28 | 18 | 32 | 8 | 235 | 5 | 19 | 6 | 251 | 60 | 1.2 | 6 | 27 | 3~23Ω | |
| 240W | 185 | 35 | 24 | 36 | 10 | 225 | 5 | 19 | 8 | 245 | 76 | 1.6 | 6 | 34 | 5~24Ω | |
| 300W | 210 | 35 | 24 | 36 | 10 | 250 | 5 | 19 | 8 | 274 | 76 | 1.6 | 6 | 34 | 5~30Ω | |
| 375W | 210 | 40 | 25 | 38 | 12 | 250 | 5 | 20 | 8 | 274 | 78 | 1.6 | 6 | 34 | 6~38Ω | |
| 450W | 260 | 40 | 25 | 38 | 12 | 300 | 5 | 20 | 8 | 320 | 78 | 1.6 | 6 | 34 | 6~45Ω | |
| 600W | 330 | 40 | 25 | 38 | 12 | 370 | 5 | 20 | 8 | 395 | 78 | 1.6 | 6 | 34 | 7~60Ω | |
| 750W | 330 | 50 | 35 | 50 | 12 | 380 | 6 | 25 | 9 | 400 | 100 | 1.6 | 8 | 40 | 8~75Ω | |
| 900W | 400 | 50 | 35 | 50 | 12 | 450 | 6 | 25 | 9 | 470 | 100 | 1.6 | 8 | 40 | 8~90Ω | |
| 1000W | 460 | 50 | 35 | 50 | 12 | 510 | 6 | 25 | 9 | 530 | 100 | 1.6 | 8 | 40 | 12~100Ω | |
| 1200W | 460 | 60 | 40 | 55 | 15 | 515 | 6 | 30 | 10 | 535 | 110 | 1.6 | 10 | 50 | 12~120Ω | |
| 1500W | 540 | 60 | 40 | 55 | 15 | 595 | 6 | 30 | 10 | 615 | 110 | 1.6 | 10 | 50 | 15~150Ω | |
| 2000W | 650 | 65 | 42 | 62 | 15 | 702 | 6 | 30 | 10 | 722 | 115 | 1.6 | 10 | 50 | 15~200Ω | |
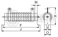
DQ-B 波浪线绕功率电阻 30W ~ 20000W 尺寸
|
||||||||||||
| 功率 | 尺寸(Unit: mm) | 阻值范围 | ||||||||||
| R | L1 | L2 | L3 | H | N | d | M | q | Q | |||
| 30W | 20 | 70 | 100 | 120 | 50 | 6 | 3.5 | 5 | 5 | 20 | 2~1KΩ | |
| 40W | 20 | 87 | 115 | 137 | 50 | 6 | 3.5 | 5 | 5 | 20 | 2~1KΩ | |
| 50W | 28 | 90 | 122 | 143 | 68 | 9 | 4.5 | 5.5 | 6 | 28 | 5~1KΩ | |
| 80W | 28 | 90 | 122 | 143 | 68 | 9 | 4.5 | 5.5 | 6 | 28 | 5~2KΩ | |
| 100W | 28 | 170 | 202 | 223 | 68 | 9 | 4.5 | 5.5 | 6 | 28 | 10~3KΩ | |
| 150W | 28 | 215 | 247 | 268 | 68 | 9 | 4.5 | 5.5 | 6 | 28 | 10~3KΩ | |
| 200W | 28 | 267 | 299 | 320 | 68 | 9 | 4.5 | 5.5 | 6 | 28 | 10~5KΩ | |
| 250W | 28 | 267 | 299 | 320 | 68 | 9 | 4.5 | 5.5 | 6 | 28 | 10~5KΩ | |
| 300W | 40 | 267 | 305 | 343 | 90 | 10 | 4.5 | 6 | 6 | 40 | 20~5KΩ | |
| 400W | 40 | 330 | 367 | 406 | 90 | 10 | 4.5 | 6 | 6 | 40 | 20~5KΩ | |
| 500W | 50 | 330 | 370 | 415 | 98 | 10 | 6 | 8.5 | 8 | 50 | 20~5KΩ | |
| 600W | 50 | 330 | 370 | 415 | 98 | 10 | 6 | 8.5 | 8 | 50 | 20~5KΩ | |
| 700W | 50 | 400 | 440 | 485 | 95 | 10 | 6 | 8.5 | 8 | 50 | 20~5KΩ | |
| 800W | 70 | 300 | 331 | 362 | 135 | 15 | 8 | - | 8 | 70 | 40~500Ω | |
| 1000W | 70 | 300 | 331 | 362 | 135 | 15 | 8 | - | 8 | 70 | 40~500Ω | |
| 1500W | 70 | 415 | 446 | 477 | 135 | 15 | 8 | - | 8 | 70 | 40~500Ω | |
| 2000W | 70 | 510 | 541 | 572 | 135 | 15 | 8 | - | 8 | 70 | 40~500Ω | |
| 2500W | 70 | 600 | 631 | 662 | 135 | 15 | 8 | - | 8 | 70 | 40~500Ω | |
| 3000W | 70 | 600 | 631 | 662 | 135 | 15 | 8 | - | 8 | 70 | 40~500Ω | |
| 4000W | 100 | 430 | 468 | 521 | 155 | 15 | 8 | - | 8 | 100 | 40~500Ω | |
| 5000W | 100 | 500 | 538 | 591 | 155 | 15 | 8 | - | 8 | 100 | 40~500Ω | |
| 6000W | 100 | 600 | 638 | 691 | 155 | 15 | 8 | - | 8 | 100 | 40~500Ω | |
| 10000W | 150 | 600 | 640 | 720 | 260 | 30 | 8 | - | 10 | 150 | 40~500Ω | |
| 12000W | 150 | 660 | 700 | 780 | 260 | 30 | 8 | - | 10 | 150 | 40~500Ω | |
| 15000W | 150 | 660 | 700 | 780 | 260 | 30 | 8 | - | 10 | 150 | 40~500Ω | |
| 20000W | 150 | 1000 | 1040 | 1120 | 260 | 30 | 8 | - | 10 | 150 | 40~500Ω | |
功率电阻器 (DQ) 变阻器规格书
管型绕线功率电阻器、变阻器 (DQ) 规格书下载 (464KB)。
电阻器常用技术用语说明书下载 (434KB)。
绕线功率电阻器术语说明书下载 (295KB)。
选择最佳性能电阻的具备条件下载 (284KB)。
各类型电阻器使用注意事项说明书下载 (444KB)。
电阻器 (R) 说明书及相关资料说明书下载 (472KB)。
绕线可调电阻及功率变阻器应用说明书下载 (244KB)。
变阻器、功率线绕电阻器概述及相关说明下载 (256KB)。
可调功率电阻器、滑动变阻器、绕线电阻器全系列说明书下载 (1,818KB)。





