黄金铝壳电阻器
大功率 (AH)- Within "AH, AHL 系列" section :
- 1. 功率铝壳电阻 AH
- 2. 加长引线型功率铝壳电阻 AHL
德键(AH)铝壳电阻器,集出色的散热功能与卓越高精密电阻特性于一体。
德键电子 AH 功率型系列黄金铝壳电阻器,外壳采用铝合金制造,表面具有散热沟槽,体积小,功率大,耐高温,过载能力强,具有耐气候性、高精度,标准低电感电阻,高稳定,强架构,其变通性佳多重组合选择,有利于机械保护,更方便使用者安装。
适用于电源、变频器、伺服器、及恶劣环境下高要求应用,使用寿命长。阻值公差为 10%,5%,2%,1%,0.5%,0.25%,0.1%,并可根据需要进行大功率型号组装。亦可根据客户需求规格订制专门的电阻器,且可以组合成大功率型、或大电力型的电阻箱。
德键电子黄金铝盒电阻器 AH 系列,因其功耗大,体积小,具有耐气候性,工作温度范围 -55°C to +275°C,常作为大功率型电阻使用,如煞车电阻器、老化电阻器、铝外壳散热电阻器、制动电阻器、泄放电阻器。
黄金铝壳电阻器 AH 系列,严紧公差精度达 ±0.1%,温度系数 (TCR) 稳定至 ±25 PPM/°C,也是作为电流感侧电阻器、高精密电阻器,最理想的选择。德键 AH 系列由于阻抗元器件完成封装在阳极氧化铝架构内,其额定热点远低于标准值。其高性能全焊接结构,保证长期稳定的重负载的螺纹栓轴端子。
德键 AH 黄金铝壳电阻系列符合 RoHS 和无铅标准。对于规格外参数和客户定制的特殊应用,请与德键业务部门联系,商讨细节。
原材料:
- 元素:铜和镍合金,镍铬合金或锰铜。
- 外壳:铝硬质阳极涂层; 核心:氧化铝或陶瓷。
- 密封材料: S - 矽树脂;C: 水泥填充; 端盖:不锈钢。
- AHS 标准端子:
5W ~ 150W 镀锡端子,200W ~ 500 W 螺纹端子。 - AHC 标准端子:
5W ~ 50W 镀锡端子,80W ~ 300 W 螺纹端子。
通用规格:
- 工作温度范围: -55°C to +275°C。
- 额定功率范围: 5W ~ 500W 有 AHS: 11 种, AHC: 6 种可供选择。
- 严紧阻值公差: ±0.1%,±0.25%,±0.5%,±1%,±2%,±5%,±10%。
- 卓越温度系数: ±25 PPM/°C,±50 PPM/°C,±100 PPM/°C,±250 PPM/°C。
无电感量特性:
- 可提供 Ayrton Perry 无电感量线绕工艺生产。当需要时,请于料号标识编号后加上“N”。
- 标准绕组及无电感量绕组,两种都具有相同的功能特性,小尺寸、高功率、坚固结构、和超精密。
- 铝外壳可以安装散热片,以求达到最高的散热效果。
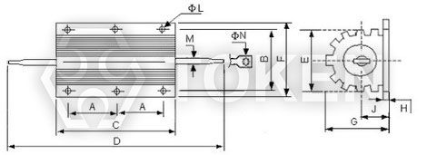
黄金铝盒 (AHS-5, AHS-5N, AHS-10, AHS-10N, AHS-25, AHS-25N, AHS-50, AHS-50N) 尺寸
|
|||||||||||||||
| 类型 | A | B | C | D | E | F | G | H | J | Φ L | Φ M | Φ N | P | ||
| ± 1.0 | ± 1.0 | ± 1.0 | ± 2.0 | ± 1.0 | ± 1.0 | ± 1.0 | ± 0.8 | ± 1.0 | ± 0.8 | ± 0.8 | ± 0.8 | Ref. | |||
| AHS-5 AHS-5N |
11.4 | 12.5 | 15.5 | 31 | 8.5 | 16 | 8 | 1.5 | 4.4 | 2.2 | 1.2 | 1.3 | 8 | ||
| AHS-10 AHS-10N |
14 | 16 | 19.5 | 40.5 | 11.2 | 21 | 10 | 2 | 5 | 2.5 | 2 | 2.2 | 10.5 | ||
| AHS-25/30 AHS-25/30N |
18.3 | 20 | 27 | 48 | 14.3 | 27 | 13 | 2 | 7 | 3.5 | 2 | 2.2 | 10.5 | ||
| AHS-50 AHS-50N |
40 | 22 | 50 | 71 | 16.3 | 29 | 15.5 | 2 | 7.3 | 3.5 | 2 | 2.2 | 10.5 | ||
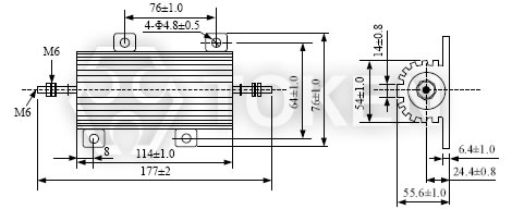
黄金铝盒 (AHS-75, AHS-75N, AHS-100, AHS-100N, AHS-150, AHS-150N) 尺寸
|
|||||||||||||||
| 类型 | A | B | C | D | E | F | G | H | J | Φ L | M | Φ N | |||
| ± 1.5 | ± 1.5 | ± 2.0 | ± 2.0 | ± 1.5 | ± 1.5 | ± 1.5 | ± 0.8 | ± 1.5 | ± 1.2 | ± 0.8 | ± 0.8 | ||||
| AHS-75 AHS-75N |
23.5 | 37 | 65.5 | 90 | 27 | 48 | 26 | 3.5 | 12 | 4.5 | 3 | 2.7 | |||
| AHS-100F AHS-100FN |
35 | 37 | 98 | 119 | 27 | 48 | 26 | 3.5 | 11.5 | 4.5 | 2 | 2.7 | |||
| AHS-150 AHS-150N |
52 | 37 | 130 | 151 | 27 | 48 | 26 | 3.5 | 11.5 | 4.5 | 3 | 2.7 | |||
黄金铝盒 (AHS-200, AHS-200N, AHS-250F, AHS-250FN, AHS-300, AHS-300N, AHS-500, AHS-500N) 尺寸
|
|||||||||||||||
| 类型 | A | B | C | D | E | F | G | H | J | Φ M | Φ N | ||||
| ± 2.5 | ± 2.5 | ± 3.5 | ± 2.5 | ± 2.5 | ± 3.5 | ± 2.5 | ± 1.5 | ± 2.0 | ± 1.5 | ± 1.5 | |||||
| AHS-200 AHS-200N |
35 | 58 | 92 | 151 | 46.5 | 72 | 45 | 5 | 20 | M5 | 5.5 | ||||
| AHS-250F AHS-250FN |
45 | 60 | 112 | 165 | 46.5 | 73 | 45 | 5 | 21 | M6 | 5.5 | ||||
| AHS-300 AHS-300N |
51 | 58 | 130 | 170 | 46.5 | 73 | 45 | 5 | 21 | M6 | 5.5 | ||||
| AHS-500 AHS-500N |
87 | 58 | 204 | 244 | 46.5 | 73 | 45 | 5 | 21 | M6 | 5.5 | ||||
黄金铝盒 (AHS-250, AHS-250N) 尺寸
|
|||||||||||||||
黄金铝盒 (AHC-5, AHC-5N, AHC-10, AHC-10N, AHC-25, AHC-25N, AHC-50, AHC-50N) 尺寸
|
|||||||||||||||
| 类型 | A | B | C | D | E | F | G | H | J | Φ L | Φ M | Φ N | P | ||
| ± 1.0 | ± 1.0 | ± 1.0 | ± 2.0 | ± 1.0 | ± 1.0 | ± 1.0 | ± 0.8 | ± 1.0 | ± 0.8 | ± 0.8 | ± 0.8 | Ref. | |||
| AHC-5 AHC-5N |
10 | 12.5 | 15 | 25 | 8.5 | 16.5 | 8 | 1.5 | 4 | 2 | 1.2 | 1.3 | 5 | ||
| AHC-10 AHC-10N |
14 | 15.5 | 19 | 32 | 10.5 | 20 | 10 | 2 | 5 | 2 | 2 | 2.2 | 6 | ||
| AHC-25 AHC-25N |
18 | 19 | 27 | 47 | 15 | 27 | 15.5 | 2 | 7 | 3.2 | 2 | 2.2 | 10 | ||
| AHC-50 AHC-50N |
39 | 21 | 50 | 70 | 15 | 29 | 15.5 | 2 | 7 | 3.2 | 2 | 2.2 | 10 | ||
黄金铝盒 (AHC-80, AHC-80N, AHC-100S, AHC-100SN) 尺寸
|
|||||||||||||||
| 类型 | A | B | C | D | E | F | G | H | J | Φ L | Φ M | ||||
| ± 1.5 | ± 1.5 | ± 2.0 | ± 2.0 | ± 1.5 | ± 1.5 | ± 1.5 | ± 0.8 | ± 1.5 | ± 1.2 | ± 1.5 | |||||
| AHC-80 AHC-80N |
35 | 37 | 66 | 102 | 28 | 47 | 25 | 3.5 | 12 | 4.5 | M5 | ||||
| AHC-100S AHC-100SN |
35 | 37 | 66 | 102 | 28 | 47 | 25 | 3.5 | 12 | 4.5 | M5 | ||||
黄金铝盒 (AHC-100, AHC-100N) 尺寸
|
|||||||||||||||
黄金铝盒 (AHC-250, AHC-250N, AHC-300, AHC-300N) 尺寸
|
|||||||||||||||
黄金铝壳 (AHS) 性能规格
| 类型 | 种类 | 额定功率 (W) | 阻值范围 (Ω) | 阻值公差 (%) | 最大工作电压 (V) | 最大 重量 (g)t |
铝外壳散热片 | ||||
| AHS 有感 |
AHSN 无感 |
AHS | AHSN | AHS | AHSN | 面积 (cm2) | 厚度 (mm) | ||||
| AHS-5 | RE60 | 5 | 0.01R~3K | 0.01R~750R |
B (±0.1%) C (±0.25%) D (±0.5%) F (±1%) G (±2%) J (±5%) K (±10%) |
F (±1%) G (±2%) J (±5%) K (±10%) |
√ ( P * R ) | 3 | 415 | 1 | |
| AHS-10 | RE65 | 10 | 0.01R~5K | 0.01R~1K25 | 6 | 415 | |||||
| AHS-25 | RE70 | 25 | 0.01R~10K | 0.01R~2K | 11 | 535 | |||||
| AHS-30 | 30 | 0.01R~10K | 0.01R~2K | 18 | 535 | ||||||
| AHS-50 | RE75 | 50 | 0.01R~10K | 0.01R~2K | 30 | 995 | |||||
| AHS-75 | 75 | 0.01R~20K | 0.5R~5K | 90 | 995 | 3 | |||||
| AHS-100 | RE77 | 100 | 1R~30K | 1R~7K | 265 | 2780 | |||||
| AHS-150 | 150 | 1R~40K | 1R~10K | 265 | 995 | ||||||
| AHS-200 | 200 | 1R~50K | 1R~12K | 420 | 3750 | ||||||
| AHS-250 | RE80 | 250 | 1R~50K | 1R~12K | 510 | 4900 | |||||
| AHS-250F | RE80 | 250 | 1R~50K | 1R~12K | 480 | 4765 | |||||
| AHS-300 | 300 | 1R~50K | 1R~12K | 580 | 5780 | ||||||
| AHS-500 | 500 | 1R~50K | 1R~12K | 970 | 8500 | ||||||
黄金铝壳 (AHC) 性能规格
| 类型 | 种类 | 额定功率 (W) | 阻值范围 (Ω) | 阻值公差 (%) | 最大工作电压 (V) | 最大 重量 (g)t |
铝外壳散热片 | ||||
| AHS 有感 |
AHSN 无感 |
AHS | AHSN | AHS | AHSN | 面积 (cm2) | 厚度 (mm) | ||||
| AHC-5 | RE60 | 5 | 0.1R~3K | 0.1R~750R |
B (±0.1%) C (±0.25%) D (±0.5%) F (±1%) G (±2%) J (±5%) K (±10%) |
F (±1%) G (±2%) J (±5%) K (±10%) |
√ ( P * R ) | 6 | 415 | 1 | |
| AHC-10 | RE65 | 10 | 0.1R~5K | 0.1R~1K25 | 11 | 415 | |||||
| AHC-25 | RE70 | 25 | 0.1R~10K | 0.1R~2K | 20 | 535 | |||||
| AHC-50 | RE75 | 50 | 0.1R~10K | 0.1R~2K | 30 | 995 | |||||
| AHC-80 | 75 | 0.1R~20K | 0.5R~5K | 90 | 995 | ||||||
| AHC-100S | 100 | 1R~30K | 1R~7K | 160 | 2780 | 3 | |||||
| AHC-100 | RE77 | 100 | 1R~3K | 1R~3K | 100 | 995 | |||||
| AHC-250 | RE80 | 250 | 1R~3K | 1R~3K | 480 | 4900 | |||||
| AHC-300 | 300 | 1R~3K | 1R~3K | 580 | 5780 | ||||||
功率铝壳 (AH) 表面温度与功率负载 (散热板) 曲线图
|
功率铝壳 (AH) 环境温度 降额曲线
|
功率铝盒 (AH) 散热片 降额曲线
|
功率铝盒 (AH) 电器特性条件
| 参数 | 测试条件 | 规格 |
| 温度系数 T.C.R. | 室温 /100°C 以上. | ±25, 50, 100, 250ppm/°C |
| 短时间过载 | 5 × 额定功率-5sec. | Δ R±(2%+0.05Ω)Max. |
| 振动 | 10~50~10Hz/Min -X- Y- Z Axis 2 Hours each. | Δ R±(0.2%+0.05Ω)Max. |
| 负载寿命 | 额定负载 (底盘安装) (1.5 Hour on 0.5 Hour OFF) 重复 1000 小时 | Δ R±(5%+0.05Ω)Max. |
| 引出端强度 | (1) 扭转测试 (30 sec Min) AH-5: 1kg, AH-10: 2.3kg, AH-25, AH-50: 4.5kg (2) 扭转测试 (5~15sec) AH-100: 27kg-cm, AH-250: 36kg-cm |
Δ R±(0.2%+0.05Ω)Max. |
| 介质耐压 | AHS-5 AHS-10 AHS-25 1000V AHS-30, AHS-50, AHS-75, AHS-100 2000V AHS-150, AHS-200, AHS-250, AHS-300, AHS-500 2500V |
Δ R±(0.5%+0.05Ω)Max. |
|
AHC-5 AHC-10 AHC-25 800V AHC-50, AHC-80, AHC-100 1000V AHC-250, AHC-300 2500V |
||
| 绝缘阻抗 | 在同样的介质耐压测试条件下, 加载500V和绝缘性阻值测试 | AHS: 1000 MΩ Min. AHC: 100 MΩ Min. |
| 温度系数阻值 | 温度 40°C 湿度 95% DC 100V 100 Hrs. | Δ R±(5%+0.05Ω)Max. |
| 温度负载测试 | 90% 湿度, 40°C温度, 1/10 × 额定功率 (1.5 开-0.5 关), 重复 200 小时. | Δ R±(5%+0.05Ω)Max. |
| 抗焊接温度 | 350°C ± 10°C 持续 3±0.5 秒 | Δ R±(1%+0.05Ω)Max. |
铝壳电阻 (AH) 料号标识
| AH | S | 10/10N | 20Ω | D | ||||||||||||||||||||||||||||||||||||||||||||
| 1 | 2 | 3 | 4 | 5 | ||||||||||||||||||||||||||||||||||||||||||||
|
|
|
|
|
||||||||||||||||||||||||||||||||||||||||||||
大功率黄金铝壳电阻器 (AH) 规格书
功率型黄金铝壳和高精密型黄金铝盒电阻器 (AH) 规格书下载 (446KB)。
电阻器常用技术用语说明书下载 (434KB)。
绕线功率电阻器术语说明书下载 (295KB)。
选择最佳性能电阻的具备条件下载 (284KB)。
各类型电阻器使用注意事项说明书下载 (444KB)。
电阻器 (R) 说明书及相关资料说明书下载 (472KB)。
绕线可调电阻及功率变阻器应用说明书下载 (244KB)。
变阻器、功率线绕电阻器概述及相关说明下载 (256KB)。
可调功率电阻器、滑动变阻器、绕线电阻器全系列说明书下载 (1,818KB)。









