无感塑封电阻 大功率 TO-220 模压电阻
(RMG50)大功率 TO-220 (RMG50)无感塑封电阻,让电路机板保持凉爽。
德键电子 50W 功率电阻系列采用易于安装的小型 TO-220 封装,具有热性能卓越、高绝缘度、及广泛的电阻值范围。RMG50 为无电感元件,体积小可节省电路板上的宝贵空间,使设计人员能够缩减他们最终产品的尺寸。
RMG50 系列采用绝缘斜锥塑封盒,将 TO-220 开放式丝印电阻基板封装,以达到最大的散热性能。RMG50 功率电阻结构设计允许三种散热方法,因此具有特别优秀的高功率处理特性。
似烟囱效果的绝缘斜锥塑封盒附在陶瓷基板,迫使热空气对流并从"颈状"的烟囱,将热气从组件排离。
功率电阻利用这三种散热的方法,包括通过散热板的传导,电阻器表面辐射,及通过散热管的对流。高功率电阻器 RMG50 典型的应用,包括开关式电源电路,马达控制和驱动电路,逆变器和工业电力设备。
日前推出的这些元件主要针对产业焊接机、测试设备、UPS、机车及基地台系统等终端产品中的电源、电流感应、电源转换、高速开关、RF应用、脉冲生成、负载电阻、缓冲器、脉冲处理电路及放大器应用。
电阻范围从 0.05Ω to 10KΩ,供差精度 ±0.50% 和 ±10%,工作温度范围为 -65°C 至 +150°C。RMG50 系列的 TO-220 封装设计,提供需要更大功率应用一个最佳的选择。
德键可依客户需求生产上述规格外的指标,并为全球客户及应用和设计工程全面支持的服务。请联系我们与您的特定需求。
特性 :
- 无感/低感量。
- TO-220 模压塑封包装。
- 只用一颗螺丝,便可安装于散热器上。
- 保护性高的模压塑封外盒,且易于安装。
- 安装在散热器,于 25°C 的温度,最高功率可达 50 瓦。
应用 :
- 电压整流器。
- 脉冲控制系统。
- 切换型电源供应器。
- 针对高频率的无感设计。
- 不间断供电电源,缓冲电路器。
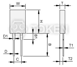
尺寸 (单位: mm) (RMG50)
|
|||||||||||
| 规格 | W | H | T | T1 | T2 | B | B1 | C | D | D1 | |
| RMG50 | 10.15 ~ 10.67 |
16.00 ~ 16.52 |
2.92 ~ 3.44 |
0.40 ~ 0.60 |
1.52 ~ 2.04 |
11.43 ~ 13.97 |
2.54 ~ 4.06 |
4.82 ~ 5.34 |
0.66 ~ 0.86 |
1.14 ~ 1.40 |
|
电气特性规格 (RMG50)
| 阻值范围 | 阻值公差 | 温度系数 (PPM/°C) |
| 0.05Ω~1Ω | ±5.00% ±10.0% |
- |
| 2Ω~5Ω | ±1.00% ±5.00% ±10.0% |
±200 |
| 5Ω~10Ω | ±1.00% ±5.00% ±10.0% |
±100 ±200 |
| 11Ω~10KΩ | ±0.50% ±1.00% ±5.00% ±10.0% |
±50 ±100 ±200 |
最大工作电压 350V;压电强度 1800VAC;绝缘阻抗:10GΩ min。
工作温度:-65°C to +150°C;可提供的阻值范围 < 1Ω。
环境特性规格 (RMG50)
| 测试项目 | 规格标准 | 测试条件 |
| 温度系数 | 10Ω and above, ±50ppm/°C 1Ω and 10Ω, (±100ppm)/°C |
Referenced to 25°C, ΔR taken at +105°C |
| 短时间过负载 | Δ R±0.3% | 2 times rated power with applied voltage not to exceed 1.5 times maximum continuous operating voltage for 5 seconds. |
| 负载寿命 | Δ R±1.0% | MIL-R-39009,2,000 hours at rated power. |
| 耐湿性 (稳定状态下) | Δ R±0.5% | MIL-STD-202F, Method 103B 40°C, 90~95%RH, RCWV 1.5hours ON, 0.5hours OFF. total 1000~1048 hours. |
| 耐热性 | Δ R±0.3% | MIL-STD-202, Method 107G. -65°C~150°C,100 cycle |
| 端子强度 | Δ R±0.2% | MIL-STD-202, Method 211, Cond.A(Pull Test) 2.4N. |
| 高频率震动 | Δ R±0.2% | MIL-STD-202, Method 204, Cond.D. |
引线材质:镀锡铜线。 最大转矩0.9 Nm。无散热器下,在自然对流空气下 25°C, RMG20 额定功率为 2.25W。
塑装盒的表面温度的量测,需用热电耦量于所使用的散热器上所安装本器件的中央位置。
功率的使用极限,取决于塑装盒的表面温度。热油膏需使用正确。
降额曲线 (RMG50)
|
料号标识 (RMG50)
| RMG | 50 | J | P | D | 10R | ||||||||||||||||||||||||||||||||||||||||
| 1 | 2 | 3 | 4 | 5 | 6 | ||||||||||||||||||||||||||||||||||||||||
|
|
|
|
|
|
||||||||||||||||||||||||||||||||||||||||
TO-220 模压功率电阻 (RMG50) 系列 规格书
绝缘斜锥塑封盒式功率电阻器 TO-220 (RMG50) 系列规格书下载 (437KB)。
选择最佳性能电阻的具备条件下载 (284KB)。
典型 RoHS 回流焊曲线图文说明下载 (309KB)。
通用型电阻器常用技术用语说明书下载 (434KB)。
各类型电阻器使用注意事项说明书下载 (444KB)。
电阻器 (R) 说明书及相关资料说明书下载 (472KB)。
TO-220, TO-247 功率皮膜电阻器概述及相关说明下载 (267KB)。
TO-220, TO-247 模压型塑封功率电阻器应用指南说明书下载 (403KB)。
TO-220, TO-247 塑封功率模压封装电阻器全系列说明书下载 (685KB)。
无感塑封电阻 大功率 TO-220 模压电阻
