TO-220 封装电阻 大功率电阻 塑封模压电阻
(RMG20)德键 TO-220 (RMG20)功率封装电阻器,提供最佳的高热效率。
TO-220 大功率封装电阻 塑封模压电阻(RMG20) 图片浏览德键电子新一代的 TO220 功率封装电阻,采用高可靠性,先进的铜质皮膜,提供给设计工程师一个高散热的工业标准方案。
在至关重要的成本效益和可靠性趋势下,德键提供了 RMG20 系列 TO-220 功率电阻,坚固实用且具有无感性能、低热阻、使它们非常适合用多种工业应用,如电源,工业控制和汽车。
非贵金属铜墨丝印的 RMG20 系列电阻,成为有效的替代含铅的其他厚膜功率电阻器,同时保持优异的热传导和热耗散,是必要的功耗应用要求。
德键专有的电阻元件封装,使得安装更容易,保护性高,高绝缘度,于低电阻值在更高的额定功率应用,可确保最高质量的无感表现。
工作温度范围从 -65°C to +150°C.
德键提供标准电值及非规格内的阻值,请联系我们与您的特定需求。
特性: :
- 可达 20 瓦工作功率,于 25°C 散热器温度。
- 模压式封装易于安装及保护性佳。
- TO-220 功率型封装。
- 绝缘的外盒。
- 无感/低感。
应用 :
- 高速切换型电源供应器。
- 脉冲发生器的负载电阻。
- VHF 功放器。
- 电压整流器。
- 缓冲电路。
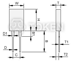
尺寸 (单位: mm) (RMG20)
|
|||||||||||
| 规格 | W | H | T | T1 | T2 | B | B1 | C | D | D1 | |
| RMG20 | 10.15~10.67 | 16.00~16.52 | 2.92~3.44 | 0.40~0.60 | 1.52~2.04 | 11.43~13.97 | 2.54~4.06 | 4.82~5.34 | 0.66~0.86 | 1.14~1.40 | |
电气特性规格 (RMG20)
| 阻值范围 | 阻值公差 | 温度系数 (PPM/°C) |
| 0.05Ω~1Ω | ±5.00% ±10.0% |
- |
| 2Ω~5Ω | ±1.00% ±5.00% ±10.0% |
±200 |
| 5Ω~10Ω | ±1.00% ±5.00% ±10.0% |
±100 ±200 |
| 11Ω~10KΩ | ±0.50% ±1.00% ±5.00% ±10.0% |
±50 ±100 ±200 |
最大工作电压 350V;压电强度 1800VAC;绝缘阻抗:10GΩ min。
工作温度:-65°C 到 +150°C;可提供的阻值范围 < 1Ω。
环境特性规格 (RMG20)
| 测试项目 | 规格标准 | 测试条件 |
| 温度系数 | 10Ω and above, ±50ppm/°C 1Ω and 10Ω, (±100ppm)/°C |
Referenced to 25°C, ΔR taken at +105°C |
| 短时间过负载 | Δ R±0.3% | 2 times rated power with applied voltage not to exceed 1.5 times maximum continuous operating voltage for 5 seconds. |
| 负载寿命 | Δ R±1.0% | MIL-R-39009,2,000 hours at rated power. |
| 耐湿性 (稳定状态下) | Δ R±0.5% | MIL-STD-202F, Method 103B 40°C, 90~95%RH, RCWV 1.5hours ON, 0.5hours OFF. total 1000~1048 hours. |
| 耐热性 | Δ R±0.3% | MIL-STD-202, Method 107G. -65°C~150°C,100 cycle |
| 端子强度 | Δ R±0.2% | MIL-STD-202, Method 211, Cond.A(Pull Test) 2.4N. |
| 高频率震动 | Δ R±0.2% | MIL-STD-202, Method 204, Cond.D. |
引线材质:镀锡铜线。无散热器下,在自然对流空气下 25°C, RMG20 额定功率为 2.25W。
塑装盒的表面温度的量测,需用热电耦量于所使用的散热器上所安装本器件的中央位置。
功率的使用极限,取决于塑装盒的表面温度。热油膏需使用正确。
降额曲线 (RMG20)
|
料号标识 (RMG20)
| RMG | 20 | J | P | D | 10R | ||||||||||||||||||||||||||||||||||||||||
| 1 | 2 | 3 | 4 | 5 | 6 | ||||||||||||||||||||||||||||||||||||||||
|
|
|
|
|
|
||||||||||||||||||||||||||||||||||||||||
TO-220 功率皮膜电阻 (RMG20) 系列 规格书
塑封模压型功率皮膜电阻器 TO-220 (RMG20) 系列规格书下载 (422KB)。
选择最佳性能电阻的具备条件下载 (284KB)。
TO-220, TO-247 塑封功率模压封装电阻器全系列说明书下载 (685KB)。
典型 RoHS 回流焊曲线图文说明下载 (309KB)。
通用型电阻器常用技术用语说明书下载 (434KB)。
TO-220, TO-247 功率皮膜电阻器概述及相关说明下载 (267KB)。
各类型电阻器使用注意事项说明书下载 (444KB)。
电阻器 (R) 说明书及相关资料说明书下载 (472KB)。
TO-220, TO-247 模压型塑封功率电阻器应用指南说明书下载 (403KB)。

