厚膜片式高压电阻器
(HVR)
包装数量及卷装规格 (单位: mm) (HVR)
 厚膜高压片式电阻 - 包装数量及卷装规格 (HVR)
|
|
| 料号 |
带宽 |
包装数量 |
卷轴直径 |
ΦA |
ΦB |
ΦC |
W |
T |
| HVR02 |
8mm |
纸带 |
10Kpcs |
7 inch |
178.5±1.5 |
60+1/-0 |
13.0±0.2 |
9.0±0.5 |
12.5±0.2 |
| 20Kpcs |
| 40Kpcs |
10 inch |
254±1.0 |
100±0.5 |
13.0±0.2 |
9.0±0.5 |
13.5±0.5 |
| HVR03 |
5Kpcs |
| HVR05 |
10Kpcs |
13 inch |
330±1.0 |
100±0.5 |
13.0±0.2 |
9.0±0.5 |
13.5±0.5 |
| HVR06 |
20Kpcs |
| HVR0A |
12mm |
内衬塑胶带 |
4Kpcs |
7 inch |
178.5±1.5 |
60+1/-0 |
13.0±0.5 |
13.0±0.5 |
15.5±0.5 |
| HVR12 |
8Kpcs |
10 inch |
250±1.0 |
62±0.5 |
13.0±0.5 |
12.5±0.5 |
16.5±0.5 |
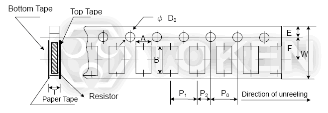
纸带尺寸规格 (单位: mm) (HVR)
 厚膜高压贴片电阻 (HVR) 纸带尺寸规格
|
|
| 料号 |
A |
B |
W |
E |
F |
P0 |
P1 |
P2 |
ΦD0 |
T |
| HVR02 |
0.65±0.10 |
1.15±0.10 |
8.0±0.20 |
1.75±0.10 |
3.50±0.05 |
4.00±0.10 |
2.00±0.05 |
2.00±0.05 |
1.55+0.1/-0 |
0.45±0.10 |
| HVR03 |
1.10±0.10 |
1.90±0.10 |
8.0±0.20 |
1.75±0.10 |
3.50±0.05 |
4.00±0.10 |
4.00±0.05 |
2.00±0.05 |
1.55+0.1/-0 |
0.70±0.10 |
| HVR05 |
1.60±0.10 |
2.40±0.20 |
8.0±0.20 |
1.75±0.10 |
3.50±0.05 |
4.00±0.10 |
4.00±0.05 |
2.00±0.05 |
1.55+0.1/-0 |
0.85±0.10 |
| HVR06 |
1.90±0.10 |
3.50±0.20 |
8.0±0.20 |
1.75±0.10 |
3.50±0.05 |
4.00±0.10 |
4.00±0.05 |
2.00±0.05 |
1.55+0.1/-0 |
0.85±0.10 |
内衬塑胶带规格 (单位: mm) (HVR)
 表面贴装高压电阻器 (HVR) 内衬塑胶带规格
|
|
| 料号 |
A |
B |
W |
E |
F |
P0 |
P1 |
P2 |
ΦD0 |
T |
| HVR0A |
2.8±0.20 |
5.5±0.20 |
12.0±0.30 |
1.75±0.10 |
5.5±0.05 |
4.00±0.10 |
4.00±0.10 |
2.00±0.05 |
1.50+0.1/-0 |
1.2 |
| HVR12 |
3.5±0.20 |
6.7±0.20 |
12.0±0.30 |
1.75±0.10 |
5.5±0.05 |
4.00±0.10 |
4.00±0.10 |
2.00±0.05 |
1.50+0.1/-0 |
1.2 |
料号标识 (HVR)
| HVR |
03 |
J |
TR |
E |
V |
1003 |
| 1 | 2 | 3 | 4 | 5 | 6 | 7 |
|
尺寸 (L×W) (mm) |
| 02 |
1.00×0.50 |
EIA0402 |
| 03 |
1.60×0.80 |
EIA0603 |
| 05 |
2.00×1.25 |
EIA0805 |
| 06 |
3.00×1.50 |
EIA1206 |
| 0A |
4.90×2.40 |
EIA2010 |
| 12 |
6.30×3.10 |
EIA2512 |
|
|
|
温度系数 (ppm/°C) |
| E |
±100ppm/°C |
| F |
±200ppm/°C |
| H |
±400ppm/°C |
|
额定功率 (W) |
| T |
1W |
| U |
1/2W |
| V |
1/4W |
| W |
1/8W |
| X |
1/10W |
| Y |
1/16W |
|
阻值 (Ω) |
| 4R70 |
4.7Ω |
| 1000 |
100Ω |
| 4700 |
470Ω |
| 4992 |
49900Ω |
| 1003 |
100000Ω |
|