贴片厚膜电阻 网络电阻 排阻
(FCR、RCA、RCN)(FCR, RCA, RCN) 表面贴装厚膜系列长青树,排阻 网阻 贴片电阻器。
高精度表面贴装网络电阻,排列贴片,和倒装贴片是非常成熟,典型的芯片电阻器的代表。德键电子采用最新封装技术,优化无引线表面贴装的封装,以满足新的汽车行业对温度和湿度的要求,同时提供高重复性,稳定性的工业、电信、和消费性电子产品。
适用于加工自动化 SMD 或 SMT 装配系统,这些贴片元器件均符合 RoHS 标准,与无铅(Pb-Free)要求,兼容锡/铅(Sn / Pb)回流焊和汽相焊接工艺。
倒装贴片电阻 (Flip Chips) FCR 系列:
- 倒装贴片电阻尺寸结构(FCR 系列),有 EIA 0603,EIA 0805,和 EIA 1206 系列标准提供。
- 额定功率有 1/10W,1/8W,和 1/4W 可供选择,最大电压 100V,300V,和 300V。
- 精度公差有 F(± 1%), J(± 5%) 对应宽广的阻值范围 1Ω to 10MΩ.
贴片排列电阻(排阻) RCA 系列:
- RCA 排阻 1.6mm X 3.2mm 的封装尺寸,非常方便于高密度电路的设计使用。
- 排阻是由多个电阻元组件排列封装器件,如用一个排列电阻来取代 4 个精密电阻的设计,应用成本相对的节约很多。
- 贴片排阻精准公差比有 F(± 1%),G(± 2%),和 J(± 5%) 对应的阻值范围从 10Ω 到 1MΩ.
网络电阻(网阻) RCN 系列:
- RCN 网络电阻提供宽广阻值范围从 10Ω 到 1MΩ, 工作温度 -55°C~+125°C.
- 网阻的每一个电阻元组件功率为 1/16W 于 +70°C,可由客户定制配置。
如需德键最新详细规格,机械特性或电气特性,请与我们的销售代表联系,以取得更新的信息。下载 PDF 版本: 贴片厚膜电阻 网络电阻 排阻。
厚膜贴片电阻器 (FCR) 外形尺寸
|
||||||
| 尺寸型号 | L | W | H | L1 | L2 | |
| FCR 03 | 1.60 ± 0.10 | 0.80 ± 0.10 | 0.45 ± 0.10 | 0.30 ± 0.20 | 0.30 ± 0.20 | |
| FCR 05 | 2.00 ± 0.15 | 1.25 ± 0.15 | 0.50 ± 0.10 | 0.40 ± 0.20 | 0.35 ± 0.15 | |
| FCR 06 | 3.10 ± 0.15 | 1.55 ± 0.15 | 0.55 ± 0.10 | 0.50 ± 0.25 | 0.50 ± 0.25 | |
排列式贴片(RCA) 外形尺寸
|
||||||||
| 尺寸型号 | L | W | H | L1 | L2 | P | Q | |
| RCA03-4D (0603) | 3.2±0.2 | 1.6±0.15 | 0.5±0.1 | 0.30±0.15 | 0.35Max | 0.8±0.1 | 0.5±0.1 | |
厚膜排列电阻器 (RCN) 外形尺寸
|
||||||||
| 尺寸型号 | L | W | H | L1 | L2 | P | Q | |
| RCN06-10R RCN06-10S |
6.4 ± 0.2 | 3.1 ± 0.2 | 0.55 ± 0.1 | 0.5 ± 0.3 | 0.5 ± 0.2 | 1.27 ± 0.1 | 0.8 ± 0.2 | |
厚膜贴片电阻器 (FCR) 电气特性
| 型号 | 额定功率 at 70°C |
最高 使用电压 |
最高过 负荷电压 |
公差 (% |
阻值范围 (Ω) | 标准 阻值 |
|
| Min. | Max. | ||||||
| FCR03 | 1/10W | 50V | 100V | ± 1% (F) ± 5% (J) |
10Ω 1Ω |
1MΩ 10MΩ |
E-96 E-24 |
| FCR05 | 1/8W | 150V | 300V | ± 1% (F) ± 5% (J) |
10Ω 1Ω |
1MΩ 10MΩ |
E-96 E-24 |
| FCR06 | 1/4W | 200V | 300V | ± 1% (F) ± 5% (J) |
10Ω 1Ω |
1MΩ 10MΩ |
E-96 E-24 |
排列式贴片电阻器 (RCA) 电气特性
| 型号 | 额定 功率 at 70°C |
最大 工作电压 |
最大 负载电压 |
T.C.R. (ppm/°C) |
阻值范围 | 跳线电阻 额定电流 |
跳线电阻 阻值 |
使用 温度范围 |
|
| F(±1%) E-96 |
G(±2%) J(±5%) E-24 |
||||||||
| RCA03-4D (0603) |
0.063 | 50V | 100V | ± 200 | 100Ω~470KΩ | 10Ω~1MΩ | 1A | 50mΩ MAX |
-55°C~+125°C |
厚膜排列电阻器 (RCN) 电气特性
| 型号 | 额定 功率 at 70°C |
最大 工作电压 |
最大 负载电压 |
T.C.R. (ppm/°C) |
阻值范围 | 端子数量 | 电阻数量 | 使用温度 范围 |
| J (±5%) E-12 | ||||||||
| RCN06-10R RCN06-10S |
1/16W | 50V | 100V | ±200 | 10Ω~1MΩ | 10 | 8 | -55°C~+125°C |
厚膜 (FCR、RCA、RCN) 环境特性
| 规格 | 标准 | 测试方法 |
| 直流阻抗 DC Resistance | J: ±5%, F: ±1% | JIS C 5202 5.1 |
| 温度系数 (TCR) |
J: ±200ppm/°C F: ±100ppm/°C |
JIS C 5202 5.2 / IEC 115-1 4.8.4.2 测试温度:25°C → -55°C |
| 短时间过负荷 | J: ΔR≤ ± (2%+0.1Ω) F: ΔR≤ ± (1%+0.05Ω) |
JIS C 5202 5.5 / IEC 115-1 4.13 2.5 x 额定电压(最大过载电压)5秒。 30分钟后测量电阻值。 |
| 耐焊温度 | J: ΔR≤ ± (1%+0.1Ω) F: ΔR≤ ± (0.5%+0.05Ω) 无机械损坏 |
JIS C 5202 6.4 / IEC 115-1 4.18 With 260 ± 5 °C for 10 ± 1秒. |
| 焊接性 | 超過 95% 的端子 必须覆盖焊料。 |
JIS C 5202 7.4 / IEC 115-1 4.17 浸入 ± 5°C 焊锡炉,浸 2 ± 0.5秒。 |
| 温度循环测试 | J: ΔR≤ ± (1%+0.1Ω) F: ΔR≤ ± (0.5%+0.05Ω) 无机械损坏。 |
JIS C 5202 7.4 / IEC 115-1 4.19 重复 5 个循环,如下: -55°C(30 分钟)+25°C(10~15 分钟) +125°C(30 分钟)+25°C(10~15 分钟) |
| 强度测试 | ΔR≤ ± (0.5%+0.05Ω) 无机械损坏。 |
JIS C 5202 6.1 500g for 10 秒。 |
| 负载寿命 | J: ΔR≤ ± (3%+0.1Ω) F: ΔR≤ ± (1%+0.05Ω) |
JIS C 5202 7.10 / IEC 115-1 4.25.1 1000+48/-0 小时后电阻值变化 (1.5 小时开,0.5小时开) 于 RCWV 或最大值。 保持元件于 70 ± 3° 烤箱中。 |
| 耐湿性 | J: ΔR≤ ± (3%+0.1Ω) F: ΔR≤ ± (1%+0.05Ω) |
JIS C 5202 7.9 / IEC 115-1 4.24.2 保持元件的温度 40 ± 2 °C 及 90~95% RH 额定功率施加电压。 循环,1.5小时开,0.5小时开,1000+48/-0 小时后,测量电阻值。 |
| 断续过负荷 | ΔR≤ ± (5%+0.1Ω) 无机械损坏。 |
JIS C 5202 5.8 2.5 x 额定电压(最大过载电压), 1秒 ON,25秒 OFF,测试 10,000 个循环。 |
厚膜 (FCR、RCA、RCN) 系列阻值标示
|
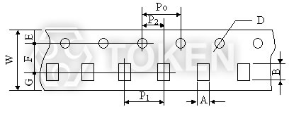
厚膜 (FCR、RCA、RCN) 系列卷带尺寸 (单位:mm)
|
|||||||||||
| 规格 | A | B | W | F | E | P1 | P2 | P0 | D | G | |
| FCR03 | 1.10±0.20 | 1.90±0.20 | 8.0±0.3 | 3.50±0.05 | 1.75±0.10 | 4.0±0.1 | 2.00±0.05 | 4.0±0.1 | 1.5±0.1 |
2.75 | |
| FCR05 | 1.65±0.20 | 2.45±0.20 | 8.0±0.3 | 3.50±0.05 | 1.75±0.10 | 4.0±0.1 | 2.00±0.05 | 4.0±0.1 | 1.5±0.1 |
2.75 | |
| FCR06 | 2.00±0.10 |
3.57±0.10 |
8.0±0.3 | 3.50±0.05 | 1.75±0.10 | 4.0±0.1 | 2.00±0.05 | 4.0±0.1 | 1.5±0.1 |
2.75 | |
厚膜 (FCR、RCA、RCN) 卷盘尺寸 (单位:mm)
|
|||||||||||
| 符号 | A | B | C | D | G | N | T | ||||
| Dimension尺寸 (mm) | 178 ± 2.0 | 20 ± 0.5 | 13.0 ± 0.5 | 20 min. | 100 ± 1.5 | 80.0 ± 0.5 | 14.9 max. | ||||
厚膜贴片电阻器 (FCR) 料号标识
| FCR | 03 | 100 | J | TR | |||||||||||||||||||||||||||||||||
| 1 | 2 | 3 | 4 | 5 | |||||||||||||||||||||||||||||||||
|
|
|
|
|
|||||||||||||||||||||||||||||||||
贴片排列电阻器(RCA) 料号标识
| RCA | 03 | - | 4 | D | 101 | J | TR | |||||||||||||||||||||||||||||||||||||||
| 1 | 2 | 3 | 4 | 5 | 6 | 7 | ||||||||||||||||||||||||||||||||||||||||
|
|
|
|
|
|
|
||||||||||||||||||||||||||||||||||||||||
贴片网络电阻器 (RCN) 料号标识
| RCN | 06 | - | 10 | R | 103 | J | TR | ||||||||||||||||||||||||||||
| 1 | 2 | 3 | 4 | 5 | 6 | 7 | |||||||||||||||||||||||||||||
|
|
|
|
|
|
|
|||||||||||||||||||||||||||||
表面贴装电阻 (FCR、RCA、RCN) 系列 规格书
选择最佳性能电阻的具备条件下载 (284KB)。
表面贴装器件应用注意事项说明书下载 (444KB)。
通用型电阻器常用技术用语说明书下载 (434KB)。
各类型电阻器使用注意事项说明书下载 (444KB)。
晶片电阻、贴片电阻、片式电阻全系列说明书下载 (1,487KB)。
各类型电阻器使用注意事项说明书下载 (444KB)。
电阻器 (R) 说明书及相关资料说明书下载 (472KB)。
典型 RoHS 回流焊曲线图文说明下载 (309KB)。
如何选择片式电阻器 & 表面贴装技术术语说明书下载 (444KB)。








