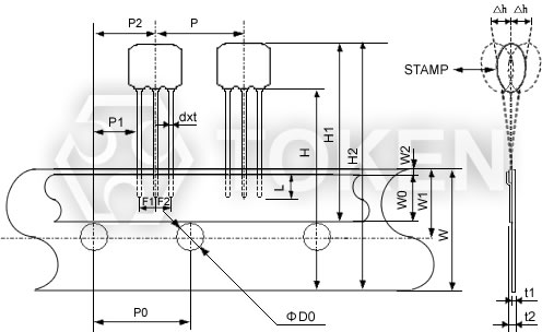
径向编带元件陶瓷谐振器滤波器带装尺寸
陶瓷谐振器滤波器径向编带尺寸
Notes:
* Include the slant of products. ** Varies with part number. |
|
Notes:
* Include the slant of products. ** Varies with part number. |
|
陶瓷谐振器滤波器编带包装方法
|
编带盘尺寸(单位:mm)
|
||||||
| ΦA | ΦB | W | T | 数量每卷 | 载带尺寸 | |
| 179±2 | 60 typ | 8.4 min | 14.0max | 3000typ | 8 | |
| 179±2 | 60 typ | 12.4 min | 19.4max | 3000typ | 12 | |
| 179±2 | 60 typ | 12.4 min | 19.4max | 1000typ | 12 | |
| 179±2 | 60 typ | 16.4 min | 22.4max | 1000typ | 16 | |
| 330±3 | 80 min | 12.4 min | 19.4max | 4000typ | 12 | |
| 330±3 | 80 min | 16.4 min | 22.4max | 4000typ | 16 | |
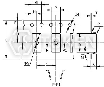
编带尺寸(单位:mm)
|
|||||||||||||||
| A ±0.2 |
B ±0.2 |
C ±0.3 |
D ±0.1 |
E ±0.1 |
F ±0.1 |
G ±0.1 |
H ±0.1 |
ΦJ ±0.1 |
ΦN ±0.1 |
M max |
R max |
K ±0.2 |
T ±0.1 |
||
| ZTACC MG ZTTCC MG |
3.8 | 7.8 | 16.0 | 7.5 | 1.75 | 8.0 | 4.0 | 2.0 | 1.5 | 1.6 | 10° | 0.3 | 2.1 | 0.3 | |
| ZTACR MG ZTTCR MG |
2.2 | 4.7 | 12.0 | 5.5 | 1.75 | 4.0 | 4.0 | 2.0 | 1.6 | 1.6 | 3° | 0.3 | 1.3 | 0.3 | |
| ZTACS MT/MX ZTTCS MT/MX |
5.0 | 4.4 | 12.0 | 5.5 | 1.75 | 8.0 | 4.0 | 2.0 | 1.5 | 1.6 | 10° | 0.3 | 1.8 | 0.3 | |
| ZTACV MT/MX ZTTCV MT/MX |
3.4 | 4.0 | 12.0 | 5.5 | 1.75 | 8.0 | 4.0 | 2.0 | 1.5 | 1.6 | 10° | 0.3 | 1.3 | 0.3 | |
| ZTACW MX ZTTCW MX |
2.2 | 2.8 | 8.0 | 3.5 | 1.75 | 4.0 | 4.0 | 2.0 | 1.6 | 1.1 | 3° | 0.3 | 1.3 | 0.2 | |
剥离强度测试条件
|
推荐使用再流焊,焊接条件
|








