SAW Package Dimensions
Saw Resonators & Filters Encapsulation Type
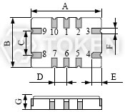
Package Dimensions (Unit: mm) (SMP-03)
|
||||||||
| Type | A | B | C | D | E | F | G | |
| SMP-03 | 7.0 | 5.0 | 2.54 | 1.27 | 1.0 | 0.6 | 1.5 | |
Package Dimensions (Unit: mm) (SMP-53)
|
|||||||
| Type | A | B | C | D | E | F | |
| SMP-53 | 13.3 | 6.5 | 2.54 | 1.5 | 0.8 | 1.5 | |
Package Dimensions (Unit: mm) (SMP-53-S)
|
|||||||
| Type | A | B | C | D | E | F | |
| SMP-53-S | 13.3 | 6.5 | 1.91 | 1.02 | 1.8 | 1.55 | |
Package Dimensions (Unit: mm) (QCC8C)
|
||||||||
| Type | A | B | C | D | E | F | G | |
| QCC8C | 2.08 | 0.6 | 2.54 | 1.2 | 1.4 | 5.0 | 5.0 | |
Package Dimensions (Unit: mm) (QCC4A)
|
|||||||
| Type | A | B | C | D | E | F | |
| QCC4A | 1.2 | 0.8×3 | 0.5×4 | 1.4 | 5.0 | 3.5 | |
Package Dimensions (Unit: mm) (QCC8B)
|
||||||||
| Type | A | B | C | D | E | F | G | |
| QCC8B | 1.27 | 0.6 | 2.54 | 1.0 | 1.5 | 3.8 | 3.8 | |
Package Dimensions (Unit: mm) (DCC6)
|
||||||||
| Type | A | B | C | D | E | F | G | |
| DCC6 | 0.64 | 1.9 | 1.27 | 1.0 | 1.4 | 3.8 | 3.8 | |
Package Dimensions (Unit: mm) (QCC8D)
|
|||||||
| Type | A | B | C | D | E | F | |
| QCC8D | 1.2 | 0.6 | 0.75 | 1.1 | 3.0 | 3.0 | |
Package Dimensions (Unit: mm) (DCC6C)
|
|||||||
| Type | A | B | C | D | E | F | |
| DCC6C | 0.6 | 1.5 | 0.75 | 1.3 | 3.0 | 3.0 | |
Package Dimensions (Unit: mm) (ARC11A)
|
|||||||||
| Type | A | B | C | D | E | F | G | H | |
| ARC11A | 11.0 | 1.5 | 1.1 | 0.7 | 2.54 | 1.27 | 4.0 | 1.5 | |
Package Dimensions (Unit: mm) (F11SMD)
|
||||||||
| Type | A | B | C | D | E | F | G | |
| F11SMD | 11.0 | 4.5 | 2.45 | 0.6 | 3.4 | 3×2.54 | 4.1 | |
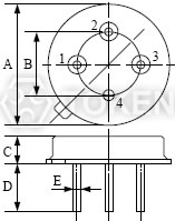
Package Dimensions (Unit: mm) (TO-39)
|
||||||
| Type | A | B | C | D | E | |
| TO-39 | Φ9.15 | Φ5.08 | 3.3 | Φ0.45 | 3.0 | |
Package Dimensions (Unit: mm) (F-11)
|
|||||||
| Type | A | B | C | D | E | F | |
| F-11 | 11.0 | 4.5 | 3.4 | Φ0.5 | 5.0 | 3×2.54 | |
Package Dimensions (Unit: mm) (D-11)
|
|||||||
| Type | A | B | C | D | E | F | |
| D-11 | 8.36 | 3.45 | 3.0 | Φ0.45 | 3.0 | 2×2.54 | |















