Chip Thin-Film RF Inductors
(TRAL)Introduction (TRAL)
Chip Thin-Film RF Inductors Provide Small-Format Protection. Token (TRAL) chip inductors provide reliable protection against challenging EMI problems in high frequency filtering applications. This miniature wirewound inductor features a low seated height that stands only 0.23mm above the circuit board. It protects sensitive electronic circuitry and ensures high performance operation in a wide range of compact devices that are shrinking ever smaller in physical size.
Token (TRAL) series uses a thin-film technology for high reliability and precision tolerances to 1% or ±0.1nH. The (TRAL) thin-film inductor series is available in 0603, 0402, and 0201 sizes, in inductance values from 0.1 to 100nH, in tolerances down to 0.1nH or 1%, and with SRF (self-resonant frequency) tightly controlled.
The technology characteristics make it ideal for the latest cellphone and PDA applications in addition to wireless network and Bluetooth enabled devices.
Application of specific designs also available including different inductance values and Q specifications adjusted to frequency requirements. Customed designs and tighter tolerances are available on request. Thin Film Inductor is mounted in a surface mount package which assures mechanical stability, excellent lead coplanarity, and suitable for automatic pick and place equipment.
The (TRAL) series is lead-free and RoHS compliant. Detailed specifications, both mechanical and electrical, please contact Token sales representative for more information. Download Complete Specification Thin-Film RF Chip Inductors (TRAL) PDF (422KB).
Features:
- A Photo Lithographic Single Layer Ceramic Chip.
- High SRF, Excellent Q, Superior Temperature Stability.
- Self Resonant Frequency Controlled within 10%.
- Stable Inductance in High Frequency Circuit.
- Highly Stable Design for Critical Needs.
- Tight Tolerance of ±1% or ±0.1nH.
Applications:
- Cellular Telephone, Pagers and GPS Products.
- VCO,TCXO Circuit and RF Transceiver Module.
- Wireless LAN, Bluetooth Module.
- Communication Appliances.
Configurations & Dimensions (Unit: mm) (TRAL)
|
|||||
| Codes | A | B | C | D | |
| TRAL01 (0201) | 0.6 ± 0.05 | 0.3 ± 0.05 | 0.23 ± 0.05 | 0.15 ± 0.05 | |
| TRAL02 (0402) | 1.0 ± 0.05 | 0.5 ± 0.05 | 0.32 ± 0.05 | 0.2 ± 0.10 | |
| TRAL03 (0603) | 1.6 ± 0.10 | 0.8 ± 0.10 | 0.45 ± 0.10 | 0.3 ± 0.20 | |
Standard Electrical Specifications (TRAL) - EIA 0201
| Part No. | Inductance (nH) |
Tolerance (% or nH) |
Q (min) |
DCR (Ω)(max) |
IDC (mA)(max) |
SRF (GHz)(min) |
| TRAL01*TR0N1 | 0.1 | ± 0.1, 0.2, 0.3nH | 8 / 500MHz | 0.20 | 400 | 9 |
| TRAL01*TR0N2 | 0.2 | ± 0.1, 0.2, 0.3nH | 8 / 500MHz | 0.20 | 400 | 9 |
| TRAL01*TR0N3 | 0.3 | ± 0.1, 0.2, 0.3nH | 8 / 500MHz | 0.20 | 400 | 9 |
| TRAL01*TR0N4 | 0.4 | ± 0.1, 0.2, 0.3nH | 8 / 500MHz | 0.25 | 350 | 9 |
| TRAL01*TR0N5 | 0.5 | ± 0.1, 0.2, 0.3nH | 8 / 500MHz | 0.25 | 350 | 9 |
| TRAL01*TR0N6 | 0.6 | ± 0.1, 0.2, 0.3nH | 8 / 500MHz | 0.25 | 350 | 9 |
| TRAL01*TR0N7 | 0.7 | ± 0.1, 0.2, 0.3nH | 8 / 500MHz | 0.30 | 300 | 9 |
| TRAL01*TR0N8 | 0.8 | ± 0.1, 0.2, 0.3nH | 8 / 500MHz | 0.30 | 300 | 9 |
| TRAL01*TR0N9 | 0.9 | ± 0.1, 0.2, 0.3nH | 8 / 500MHz | 0.30 | 300 | 9 |
| TRAL01*TR1N0 | 1.0 | ± 0.1, 0.2, 0.3nH | 8 / 500MHz | 0.30 | 300 | 9 |
| TRAL01*TR1N1 | 1.1 | ± 0.1, 0.2, 0.3nH | 8 / 500MHz | 0.35 | 300 | 9 |
| TRAL01*TR1N2 | 1.2 | ± 0.1, 0.2, 0.3nH | 8 / 500MHz | 0.35 | 300 | 9 |
| TRAL01*TR1N3 | 1.3 | ± 0.1, 0.2, 0.3nH | 8 / 500MHz | 0.45 | 250 | 9 |
| TRAL01*TR1N4 | 1.4 | ± 0.1, 0.2, 0.3nH | 8 / 500MHz | 0.45 | 250 | 9 |
| TRAL01*TR1N5 | 1.5 | ± 0.1, 0.2, 0.3nH | 8 / 500MHz | 0.45 | 250 | 9 |
| TRAL01*TR1N6 | 1.6 | ± 0.1, 0.2, 0.3nH | 8 / 500MHz | 0.55 | 200 | 9 |
| TRAL01*TR1N7 | 1.7 | ± 0.1, 0.2, 0.3nH | 8 / 500MHz | 0.55 | 200 | 9 |
| TRAL01*TR1N8 | 1.8 | ± 0.1, 0.2, 0.3nH | 8 / 500MHz | 0.55 | 200 | 9 |
| TRAL01*TR1N9 | 1.9 | ± 0.1, 0.2, 0.3nH | 8 / 500MHz | 0.55 | 200 | 9 |
| TRAL01*TR2N0 | 2.0 | ± 0.1, 0.2, 0.3nH | 8 / 500MHz | 0.70 | 200 | 8 |
| TRAL01*TR2N1 | 2.1 | ± 0.1, 0.2, 0.3nH | 8 / 500MHz | 0.70 | 200 | 8 |
| TRAL01*TR2N2 | 2.2 | ± 0.1, 0.2, 0.3nH | 8 / 500MHz | 0.70 | 200 | 8 |
| TRAL01*TR2N3 | 2.3 | ± 0.1, 0.2, 0.3nH | 8 / 500MHz | 0.80 | 150 | 8 |
| TRAL01*TR2N4 | 2.4 | ± 0.1, 0.2, 0.3nH | 8 / 500MHz | 0.80 | 150 | 8 |
| TRAL01*TR2N5 | 2.5 | ± 0.1, 0.2, 0.3nH | 8 / 500MHz | 0.80 | 150 | 8 |
| TRAL01*TR2N6 | 2.6 | ± 0.1, 0.2, 0.3nH | 8 / 500MHz | 0.80 | 150 | 8 |
| TRAL01*TR2N7 | 2.7 | ± 0.1, 0.2, 0.3nH | 8 / 500MHz | 0.80 | 150 | 8 |
| TRAL01*TR2N8 | 2.8 | ± 0.1, 0.2, 0.3nH | 8 / 500MHz | 1.00 | 150 | 6 |
| TRAL01*TR2N9 | 2.9 | ± 0.1, 0.2, 0.3nH | 8 / 500MHz | 1.00 | 150 | 6 |
| TRAL01*TR3N0 | 3.0 | ± 0.1, 0.2, 0.3nH | 8 / 500MHz | 1.00 | 150 | 6 |
| TRAL01*TR3N1 | 3.1 | ± 0.1, 0.2, 0.3nH | 8 / 500MHz | 1.00 | 150 | 6 |
| TRAL01*TR3N2 | 3.2 | ± 0.1, 0.2, 0.3nH | 8 / 500MHz | 1.00 | 150 | 6 |
| TRAL01*TR3N3 | 3.3 | ± 0.1, 0.2, 0.3nH | 8 / 500MHz | 1.00 | 150 | 6 |
| TRAL01*TR3N4 | 3.4 | ± 0.1, 0.2, 0.3nH | 8 / 500MHz | 1.20 | 150 | 6 |
| TRAL01*TR3N5 | 3.5 | ± 0.1, 0.2, 0.3nH | 8 / 500MHz | 1.20 | 150 | 6 |
| TRAL01*TR3N6 | 3.6 | ± 0.1, 0.2, 0.3nH | 8 / 500MHz | 1.20 | 150 | 6 |
| TRAL01*TR3N7 | 3.7 | ± 0.1, 0.2, 0.3nH | 8 / 500MHz | 1.20 | 150 | 6 |
| TRAL01*TR3N8 | 3.8 | ± 0.1, 0.2, 0.3nH | 8 / 500MHz | 1.20 | 150 | 6 |
| TRAL01*TR3N9 | 3.9 | ± 0.1, 0.2, 0.3nH | 8 / 500MHz | 1.20 | 150 | 6 |
| TRAL01*TR4N0 | 4.0 | ± 0.1, 0.2, 0.3nH | 8 / 500MHz | 1.20 | 150 | 6 |
| TRAL01*TR4N4 | 4.4 | ± 0.1, 0.2, 0.3nH | 8 / 500MHz | 1.30 | 140 | 6 |
| TRAL01*TR4N7 | 4.7 | ± 0.1, 0.2, 0.3nH | 8 / 500MHz | 1.40 | 130 | 6 |
| TRAL01*TR4N9 | 4.9 | ± 0.1, 0.2, 0.3nH | 8 / 500MHz | 1.60 | 130 | 6 |
| TRAL01*TR5N6 | 5.6 | ± 2,± 5% | 8 / 500MHz | 1.80 | 130 | 4 |
| TRAL01*TR6N1 | 6.1 | ± 2, ± 5% | 8 / 500MHz | 2.00 | 120 | 4 |
| TRAL01*TR6N8 | 6.8 | ± 2,± 5% | 8 / 500MHz | 2.30 | 110 | 4 |
| TRAL01*TR7N4 | 7.4 | ± 2, ± 5% | 8 / 500MHz | 2.80 | 110 | 4 |
| TRAL01*TR8N2 | 8.2 | ± 2,± 5% | 8 / 500MHz | 3.00 | 110 | 3 |
| TRAL01*TR9N1 | 9.1 | ± 2, ± 5% | 8 / 500MHz | 3.25 | 100 | 3 |
| TRAL01*TR9N2 | 9.2 | ± 2,± 5% | 8 / 500MHz | 3.25 | 100 | 3 |
| TRAL01*TR10N | 10 | ± 2, ± 5% | 8 / 500MHz | 3.50 | 80 | 2 |
|
Token is capable of manufacturing the optional spec based on customer's requirement. |
Standard Electrical Specifications (TRAL) - EIA 0402
| Part No. | Inductance (nH) |
Tolerance (% or nH) |
Q (min) |
DCR (Ω)(max) |
IDC (mA)(max) |
SRF (GHz)(min) |
| TRAL02*TR0N2 | 0.2 | 0.1/0.2/0.3(nH) | 13 / 500MHz | 0.10 | 800 | 14 |
| TRAL02*TR0N4 | 0.4 | 0.1/0.2/0.3(nH) | 13 / 500MHz | 0.10 | 800 | 14 |
| TRAL02*TR0N8 | 0.8 | 0.1/0.2/0.3(nH) | 13 / 500MHz | 0.15 | 700 | 14 |
| TRAL02*TR1N0 | 1.0 | 0.1/0.2/0.3(nH) | 13 / 500MHz | 0.15 | 700 | 12 |
| TRAL02*TR1N2 | 1.2 | 0.1/0.2/0.3(nH) | 13 / 500MHz | 0.15 | 700 | 12 |
| TRAL02*TR1N5 | 1.5 | 0.1/0.2/0.3(nH) | 13 / 500MHz | 0.25 | 700 | 10 |
| TRAL02*TR1N6 | 1.6 | 0.1/0.2/0.3(nH) | 13 / 500MHz | 0.25 | 560 | 10 |
| TRAL02*TR1N8 | 1.8 | 0.1/0.2/0.3(nH) | 13 / 500MHz | 0.25 | 560 | 10 |
| TRAL02*TR2N0 | 2.0 | 0.1/0.2/0.3(nH) | 13 / 500MHz | 0.35 | 560 | 8 |
| TRAL02*TR2N2 | 2.2 | 0.1/0.2/0.3(nH) | 13 / 500MHz | 0.35 | 440 | 8 |
| TRAL02*TR2N7 | 2.7 | 0.1/0.2/0.3(nH) | 13 / 500MHz | 0.35 | 440 | 8 |
| TRAL02*TR3N1 | 3.1 | 0.1/0.2/0.3(nH) | 13 / 500MHz | 0.45 | 380 | 6 |
| TRAL02*TR3N3 | 3.3 | 0.1/0.2/0.3(nH) | 13 / 500MHz | 0.45 | 380 | 6 |
| TRAL02*TR3N6 | 3.6 | 0.1/0.2/0.3(nH) | 13 / 500MHz | 0.55 | 380 | 6 |
| TRAL02*TR3N9 | 3.9 | 0.1/0.2/0.3(nH) | 13 / 500MHz | 0.55 | 340 | 6 |
| TRAL02*TR4N7 | 4.7 | 0.1/0.2/0.3(nH) | 13 / 500MHz | 0.65 | 320 | 6 |
| TRAL02*TR5N6 | 5.6 | 0.1/0.2/0.3(nH) | 13 / 500MHz | 0.85 | 280 | 6 |
| TRAL02*TR5N9 | 5.9 | 0.1/0.2/0.3(nH) | 13 / 500MHz | 0.85 | 280 | 6 |
| TRAL02*TR6N8 | 6.8 | 0.1/0.2/0.3(nH) | 13 / 500MHz | 1.05 | 260 | 6 |
| TRAL02*TR7N2 | 7.2 | 0.1/0.2/0.3(nH) | 13 / 500MHz | 1.05 | 260 | 6 |
| TRAL02*TR8N0 | 8.0 | 0.1/0.2/0.3(nH) | 13 / 500MHz | 1.25 | 220 | 5.5 |
| TRAL02*TR8N2 | 8.2 | 0.1/0.2/0.3(nH) | 13 / 500MHz | 1.25 | 220 | 5.5 |
| TRAL02*TR9N1 | 9.1 | 0.1/0.2/0.3(nH) | 13 / 500MHz | 1.25 | 220 | 5.5 |
| TRAL02*TR10N | 10 | 1/2/3/5(%) | 13 / 500MHz | 1.35 | 200 | 4.5 |
| TRAL02*TR12N | 12 | 1/2/3/5(%) | 13 / 500MHz | 1.55 | 180 | 3.7 |
| TRAL02*TR13N8 | 13.8 | 1/2/3/5(%) | 13 / 500MHz | 1.75 | 180 | 3.7 |
| TRAL02*TR15N | 15 | 1/2/3/5(%) | 13 / 500MHz | 1.75 | 130 | 3.3 |
| TRAL02*TR17N | 17 | 1/2/3/5(%) | 13 / 500MHz | 1.95 | 100 | 3.1 |
| TRAL02*TR18N | 18 | 1/2/3/5(%) | 13 / 500MHz | 2.15 | 100 | 3.1 |
| TRAL02*TR20N8 | 20.8 | 1/2/3/5(%) | 13 / 500MHz | 2.55 | 90 | 2.8 |
| TRAL02*TR22N | 22 | 1/2/3/5(%) | 13 / 500MHz | 2.65 | 90 | 2.8 |
| TRAL02*TR27N | 27 | 1/2/3/5(%) | 13 / 500MHz | 3.25 | 75 | 2.5 |
| TRAL02*TR33N | 33 | 1/2/3/5(%) | 13 / 500MHz | 3.75 | 75 | 2.5 |
|
Token is capable of manufacturing the optional spec based on customer's requirement. |
Standard Electrical Specifications (TRAL) - EIA 0603
| Part No. | Inductance (nH) |
Tolerance (% or nH) |
Q (min) |
DCR (Ω)(max) |
IDC (mA)(max) |
SRF (GHz)(min) |
| TRAL03*TR1N0 | 1.0 | 0.1/0.2/0.3(nH) | 15 / 300MHz | 0.35 | 800 | 13 |
| TRAL03*TR1N2 | 1.2 | 0.1/0.2/0.3(nH) | 15 / 300MHz | 0.35 | 800 | 13 |
| TRAL03*TR1N5 | 1.5 | 0.1/0.2/0.3(nH) | 15 / 300MHz | 0.35 | 800 | 10 |
| TRAL03*TR1N8 | 1.8 | 0.1/0.2/0.3(nH) | 15 / 300MHz | 0.35 | 300 | 10 |
| TRAL03*TR2N2 | 2.2 | 0.1/0.2/0.3(nH) | 15 / 300MHz | 0.35 | 300 | 8 |
| TRAL03*TR2N7 | 2.7 | 0.1/0.2/0.3(nH) | 15 / 300MHz | 0.45 | 300 | 6 |
| TRAL03*TR3N3 | 3.3 | 0.1/0.2/0.3(nH) | 15 / 300MHz | 0.45 | 300 | 6 |
| TRAL03*TR3N9 | 3.9 | 0.1/0.2/0.3(nH) | 15 / 300MHz | 0.45 | 300 | 6 |
| TRAL03*TR4N7 | 4.7 | 0.1/0.2/0.3(nH) | 15 / 300MHz | 0.55 | 300 | 5 |
| TRAL03*TR5N6 | 5.6 | 0.1/0.2/0.3(nH) | 15 / 300MHz | 0.65 | 300 | 5 |
| TRAL03*TR6N8 | 6.8 | 0.1/0.2/0.3(nH) | 15 / 300MHz | 0.75 | 300 | 5 |
| TRAL03*TR8N2 | 8.2 | 0.1/0.2/0.3(nH) | 15 / 300MHz | 0.95 | 300 | 4 |
| TRAL03*TR10N | 10 | 1/2/3/5(%) | 15 / 300MHz | 0.95 | 300 | 4 |
| TRAL03*TR12N | 12 | 1/2/3/5(%) | 15 / 300MHz | 1.05 | 300 | 3 |
| TRAL03*TR15N | 15 | 1/2/3/5(%) | 15 / 300MHz | 1.35 | 300 | 3 |
| TRAL03*TR18N | 18 | 1/2/3/5(%) | 15 / 300MHz | 1.65 | 300 | 2 |
| TRAL03*TR22N | 22 | 1/2/3/5(%) | 15 / 300MHz | 1.95 | 250 | 2 |
| TRAL03*TR27N | 27 | 1/2/3/5(%) | 15 / 300MHz | 2.35 | 250 | 2 |
| TRAL03*TR33N | 33 | 1/2/3/5(%) | 15 / 300MHz | 2.75 | 250 | 1.5 |
| TRAL03*TR39N | 39 | 1/2/3/5(%) | 15 / 300MHz | 3.00 | 200 | 1.5 |
| TRAL03*TR47N | 47 | 1/2/3/5(%) | 15 / 300MHz | 3.00 | 200 | 1.5 |
| TRAL03*TR56N | 56 | 1/2/3/5(%) | 15 / 300MHz | 5.00 | 150 | 1 |
| TRAL03*TR68N | 68 | 1/2/3/5(%) | 15 / 300MHz | 5.00 | 150 | 1 |
| TRAL03*TRR10 | 100 | 1/2/3/5(%) | 15 / 300MHz | 7.50 | 100 | 1 |
|
Token is capable of manufacturing the optional spec based on customer's requirement. |
Reel & Packaging Quantity (Unit: mm) (TRAL)
|
|||||||
| Codes | ΦA | ΦB | ΦC | W | T | Paper Tape (PCS) | |
| TRAL01 | 178.0 ± 1.0 | 60 ± 1.0 | 13.5 ± 0.7 | 9.5 ± 1.0 | 11.5 ± 1.0 | 10,000 | |
| TRAL02 | 178.0 ± 1.0 | 60 ± 1.0 | 13.5 ± 0.7 | 9.5 ± 1.0 | 11.5 ± 1.0 | 10,000 | |
| TRAL03 | 178.0 ± 1.0 | 60 + 1.0 | 13.5 ± 0.7 | 9.5 ± 1.0 | 11.5 ± 1.0 | 5,000 | |
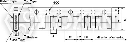
Paper Tape (Unit: mm) (TRAL)
|
|||||||||||
| Codes | A±0.05 | B±0.05 | W±0.10 | E±0.05 | F±0.05 | P0±0.10 | P1 | P2±0.05 | ΦD0 | T | |
| TRAL01 | 0.40 | 0.70 | 8.00 | 1.75 | 3.5 | 4.00 | 2.00±0.05 | 2.00 | 1.55±0.03 | 0.42±0.02 | |
| TRAL02 | 0.70 | 1.16 | 8.00 | 1.75 | 3.5 | 4.00 | 2.00±0.05 | 2.00 | 1.55±0.05 | 0.40±0.03 | |
| TRAL03 | 1.10 | 1.90 | 8.00 | 1.75 | 3.5 | 4.00 | 4.00±0.10 | 2.00 | 1.55±0.05 | 0.60±0.03 | |
Environmental Characteristics (TRAL)
| Item | Specification | Test Method |
| Bending Test | As SPEC. | JIS-C-5202-6.1.4 Bending Amplitude 3mm for 10 seconds |
| Dielectric Withstand Voltage | >100V | MIL-STD-202F Method 301 Apply 100VA (rms) for 1minute. |
| Insulation Resistance | >1000MΩ | MIL-STD-202F Method 302 Apply 100VDC for 1minute. |
| Resistance to Soldering Heat | ΔL≤10% | MIL-STD-202F Method 210E 260±5°C, 10 seconds |
| High Temperature Exposure | ΔL≤10% | JIS-C-5202-7.2 85±2°C, 1000 +48/-0 hours |
| Moisture Resistance | ΔL≤10% | MIL-STD-202F Method 103B 40±°C, 90~95%RH, 1000 +48/-0 hours |
| Low Temperature Storage | ΔL≤10% | JIS-C-5202-7.1 -40±3°C, 1000 +48/-0 hours |
| Temperature Cycle | ΔL≤10% | JIS-C-5202-7.4 -40/RT/85/RT, 10 cycles |
| Solderability | 95% min coverage | MIL-STD-202F Method 208H 245±5°C,for 3 seconds |
| Note: Storage Temperature: 25±3°C; Humidity: <80%RH |
Order Codes (TRAL)
| TRAL | 02 | G | TR | 10N | ||||||||||||||||||||||||||||||||||||||||||||||
| 1 | 2 | 3 | 4 | 5 | ||||||||||||||||||||||||||||||||||||||||||||||
|
|
|
|
|
||||||||||||||||||||||||||||||||||||||||||||||
RFID Transponder Coil and More Information in PDF download
Surface Mount High SRF Thin-Film Inductors (TRAL) PDF download (405KB).
Wirewound Inductors, Thin Film & Multilayer Inductors Series PDF download (1,879KB).
RF Inductors General Information PDF download (237KB).
Precautions Usage of Inductors PDF download (288KB).
About What Is An Inductor PDF download (605KB).
How to read the inductor code PDF download (439KB).
Tape and Reel Specifications for Surface Mount Inductors PDF download (303KB).
Notes of RF Inductors Technical Application download (225KB).
Chip Thin-Film RF Inductors (TRAL)



