贴片线绕大电流电感器
功率开磁式 (TPUDF)贴片线绕大电流电感器(TPUDF),是高性能、省空间、和省功率的最佳解决方案。

贴片线绕大电流电感器 - TPUDF 系列
德键电子 TPUDF 功率型大电流电感系列,提供全范围电感量。金属化鼓芯设计,利用德键的自动绕线技术和优质铁氧体磁芯,可节省电路板空间,适用范围概括一般电子产品及用途。采用开磁式开磁路构造设计,锰锌材料的铁芯,大电流及低直流阻抗,直接线端结构,轻便薄小,厚度薄,容易表面贴装。
采用平底表面设计,可确保稳固的安装,具有优异的端面强度,良好的焊锡性,及耐热度。低直流电阻,耐大电流等特点,广泛应用于高精度的工业设备中。TPUDF 功率型系列具有高功率、高磁饱和性、高品质、高能量存储、耐大电流、低电阻。同时具有良好的焊锡性及耐热性。产品包装符合 EIA-481 标准,适用于 SMT 自动贴片。
TPUDF 功率电感系列具有宽电感范围从 1.00 μH to 1000.00 μH,TPUDF3308F 最小厚度仅为 3.0 mm。新款的 TPUDF5022F 系列,低直流电阻低至 0.009 欧姆,电感值为 1.00 μH to 1000.00 μH,额定电流高达 20.00 A。由于其温度的稳定性,可在 -40°C to +85°C 环境温度范围内使用。
德键可以生产超出这些规格的电感器,可根据要求提供定制。TPUDF 产品符合 RoHS 标准,无铅焊接技术及 100% 无铅,与 TDK 电感器兼容,并提供更有竞争力的价格和快速交货服务。联系我们的销售部门以了解更多信息。
下载 PDF 版本: 贴片线绕大电流电感器 (TPUDF)。
特性 :
- 超小型规格、超薄厚度。
- 低阻抗、高储存能量。
- 高性能设计特点的表面贴装电感。
用途 :
- 电脑显示板卡、笔记本电脑、后置偏转加速电极。
- 升降压转换器、派卫记忆程序设计。
- DC-DC 转换器、后置偏转加速电极。
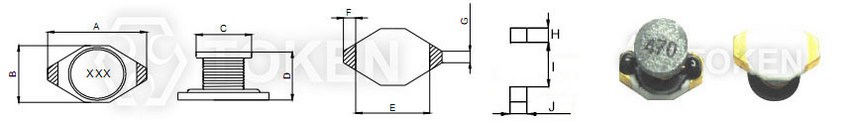
开磁式贴片型 (TPUDF1608) 外观尺寸
![]() |
| 型号 | A Max. | B Max. | C Max. | D Max. | E Ref. | F Ref. | G Ref. | H Ref. | I Ref. | J Ref. |
| TPUDF1608 | 6.60 | 4.45 | 3.94 | 2.92 | 4.32 | 1.02 | 1.27 | 1.40 | 4.06 | 3.56 |
开磁式贴片型 (TPUDF3308) 外观尺寸
![]() |
| 型号 | A Max. | B Max. | C Max. | D Max. | E Ref. | F Ref. | G Ref. | H Ref. | I Ref. | J Ref. |
| TPUDF3308 | 12.95 | 9.40 | 8.38 | 3.00 | 7.62 | 2.54 | 2.54 | 2.92 | 7.37 | 2.79 |
开磁式贴片型 (TPUDF3316) 外观尺寸
![]() |
| 型号 | A Max. | B Max. | C Max. | D Max. | E Ref. | F Ref. | G Ref. | H Ref. | I Ref. | J Ref. |
| TPUDF3316 | 12.95 | 9.40 | 8.38 | 5.12 | 7.62 | 2.54 | 2.54 | 2.92 | 7.37 | 2.79 |
开磁式贴片型 (TPUDF3340) 外观尺寸
![]() |
| 型号 | A Max. | B Max. | C Max. | D Max. | E Ref. | F Ref. | G Ref. | H Ref. | I Ref. | J Ref. |
| TPUDF3340 | 12.95 | 9.40 | 8.38 | 11.43 | 7.62 | 2.54 | 2.54 | 2.92 | 7.37 | 2.92 |
开磁式贴片型 (TPUDF5022) 外观尺寸
![]() |
| 型号 | A Max. | B Max. | C Max. | D Max. | E Ref. | F Ref. | G Ref. | H Ref. | I Ref. | J Ref. |
| TPUDF5022 | 18.45 | 15.24 | 12.70 | 7.11 | 12.70 | 2.54 | 2.54 | 2.92 | 12.45 | 2.79 |
开磁式贴片型 (TPUDF) 电性表
| Inductance (µH) | TPUDF1608 | TPUDF3308 | TPUDF3316 | TPUDF3340 | TPUDF5022 | ||||||
| 标识 | 电感值 (µH) | 直流阻抗 (Ω) Max. |
额定电流 (A) |
直流阻抗 (Ω) Max. |
额定电流 (A) |
直流阻抗 (Ω) Max. |
额定电流 (A) |
直流阻抗 (Ω) Max. |
额定电流 (A) |
直流阻抗 (Ω) Max. |
额定电流 (A) |
| 1R0 | 1.0 | 0.05 | 2.90 | 0.009 | 9.0 | 0.009 | 20.0 | ||||
| 1R5 | 1.5 | 0.05 | 2.60 | 0.010 | 8.0 | ||||||
| 2R2 | 2.2 | 0.07 | 2.30 | 0.012 | 7.0 | 0.014 | 16.0 | ||||
| 3R3 | 3.3 | 0.08 | 2.00 | 0.015 | 6.4 | 0.020 | 12.0 | ||||
| 3R9 | |||||||||||
| 4R7 | 4.7 | 0.09 | 1.50 | 0.018 | 5.4 | ||||||
| 5R6 | 0.020 | 12.0 | |||||||||
| 6R8 | 6.8 | 0.13 | 1.20 | 0.027 | 4.6 | ||||||
| 8R2 | |||||||||||
| 100 | 10 | 0.16 | 1.10 | 0.11 | 2.4 | 0.038 | 3.8 | 0.040 | 8.0 | 0.031 | 10.0 |
| 150 | 15 | 0.23 | 0.90 | 0.15 | 2.0 | 0.046 | 3.0 | 0.05 | 7.00 | 0.036 | 8.0 |
| 220 | 22 | 0.37 | 0.70 | 0.23 | 1.6 | 0.085 | 2.6 | 0.066 | 5.50 | 0.047 | 7.0 |
| 270 | |||||||||||
| 300 | |||||||||||
| 330 | 33 | 0.51 | 0.58 | 0.30 | 1.4 | 0.10 | 2.0 | 0.080 | 4.00 | 0.066 | 5.5 |
| 390 | |||||||||||
| 470 | 47 | 0.64 | 0.50 | 0.39 | 1.0 | 0.14 | 1.6 | 0.110 | 3.80 | 0.086 | 4.5 |
| 560 | |||||||||||
| 680 | 68 | 0.86 | 0.40 | 0.66 | 0.9 | 0.20 | 1.4 | 0.17 | 3.00 | 0.13 | 3.5 |
| 820 | |||||||||||
| 101 | 100 | 1.27 | 0.31 | 0.84 | 0.7 | 0.28 | 1.2 | 0.22 | 2.5 | 0.19 | 3.0 |
| 151 | 150 | 2.00 | 0.27 | 1.2 | 0.6 | 0.4 | 1.0 | 0.34 | 2.00 | 0.25 | 2.6 |
| 181 | |||||||||||
| 221 | 220 | 2.65 | 0.22 | 1.9 | 0.5 | 0.61 | 0.8 | 0.440 | 1.60 | 0.38 | 2.4 |
| 271 | |||||||||||
| 331 | 330 | 3.80 | 0.18 | 2.7 | 0.4 | 1.02 | 0.6 | 0.7 | 1.20 | 0.56 | 1.9 |
| 391 | |||||||||||
| 471 | 470 | 5.06 | 0.16 | 4.0 | 0.3 | 1.27 | 0.5 | 0.95 | 1.00 | 0.85 | 1.4 |
| 561 | |||||||||||
| 681 | 680 | 5.3 | 0.2 | 2.02 | 0.4 | 1.200 | 1.00 | 1.10 | 1.2 | ||
| 102 | 1000 | 13.80 | 0.10 | 2.000 | 0.80 | 1.80 | 1.0 | ||||
注意:
- 测量频率 L: 1.0 µH~82µH (100KHz / 0.25V),100µH 以上 (1KHz / 0.3V).
- IDC:当电感量比其额定值低10%时的电流 (ta = 20°C).
开磁式贴片型 (TPUDF) 料号标识
| TPUDF1608 | - | 1R0 | M | ||||||||||||||||||||||||||||||
| 1 | 2 | 3 | |||||||||||||||||||||||||||||||
|
|
|
|||||||||||||||||||||||||||||||




