贴片巴伦变压器 RF 平衡-不平衡变压器
(TCB5FL) 混频器用德键 RF Balun 贴片变压器(TCB5FL),是最佳处理 RF 差分电路传输到单端的装置。

巴伦变压器 - TCB5FL 混频器用
巴伦变压器 (Balun Transformer) 是一对由单端传输平衡的装置,电流的方向相反,大小相等,如推挽电路,双绞电缆线,半波振子天线等。另一对端子变换为差分传输不平衡,一侧连接到电气接地,另一侧承载信号,如线微带线,同轴电缆等。平衡-不平衡变换器即 (Balance-Unbalance),英文将其缩写合并成一个新词 Balun,音译中文为巴伦,平衡-不平衡巴伦 (Balun) 是变换器的一种。射频巴伦变压器广泛应用于低功率电子电路中,以实现阻抗匹配最大的功率传输,用于升压或降压,并且用于隔离两个电路的直流保持交流连续性。也用于共模抑制和平衡不平衡变压器。
德键电子引进最新的双线/三线配对绕组技术,实现一致性最佳化,均匀耦合布线,通过缠绕铁氧体磁芯制成,底座针脚端经过特别设计,可直接安装在 PCB 上,是在开发的表面贴装巴伦中,最具成本效益的产品之一。广泛应用于台式电脑,电视机等大型装置。适用于STB,双平衡混频器,宽带变压器,有线调制解调器的混频器,晶体管,和阻抗转换,地面数字广播小型设备,调谐天线中的不平衡平衡信号输入之间进行转换电路。
表面贴装射频巴伦变压器 (TCB5FL)混频器用,具有 6.9 x 6.9 mm 坚固尺寸,拥有电器特性 300 μiac 电导率,三种圈数可供选择 2 1/2 T,3 1/2 T,4 1/2 T。高频杂讯抑制,讯号不衰减,使用方便。
德键 (TCB5FL) 共模变压器主要用于最大功率传输及阻抗匹配,符合 RoHS 规范,Lead-Free 无铅标准,与 Murata 巴伦变压器兼容,为全球客户提供全面的应用工程和设计支持。
下载 PDF 版本: 贴片巴伦变压器 RF 平衡-不平衡变压器 (TCB5FL) 混频器用。
特性:
- 使用双线并绕方式平衡度更佳。
- 提供卷装或带装包装方式,适用于 SMT 自动表面安装。
用途:
- 多频变压器、平衡-不平衡变压器。
- 双平衡调音装置、阻抗变压器。
- 数字机顶盒 BALUN 混频变压器。
- 有线电视猫 Modem,BALUN 混频变压器。
结构图及规格尺寸 (TCB5FL) 单位:mm
|
||||||||||
| 型号 | A (max) |
B (max) |
C (max) |
D | E | F | G | H | I | |
| TCB5FL | 6.9 | 6.9 | 3.6 | 4.0 | 5-0.6 | 5.7 | 1.7 | 1.2 | 4.0 | |
注: 可依客户特殊需求设计
电气特性 (TCB5FL)
| 产品料号 | 圈 数 1-6=2-4=2-6=3-4 |
μiac |
| TCB5FL - 616DB1196 | 2 1/2 T | 300 |
| TCB5FL - 616DB1197 | 3 1/2 T | 300 |
| TCB5FL - 616DB1198 | 4 1/2 T | 300 |
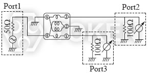
测试电路 (TCB5FL)
|
代表特性图 (TCB5FL)
|
料号标识 (TCB5FL)
| TCB5FL | - | 616DB1196 | ||||||||
| 1 | 2 | |||||||||
|
|
|||||||||


