精密锰镍铜合金分流电阻器
大电流型 (FL)使用德键大电流精密锰镍铜合金分流电阻器(Current Shunt Resistors),
加强高电流产品应用的精密测量。
分流合金电阻器是通过电路中的电压降电流产生电压差,常应用于交流或直流电压测量中的精密低阻值电阻,又称为电表分流器,是电流感测电阻器系列中的一类。
德键专门设计一系列的精密分流电阻器,可应用于千瓦时表和其他高电流的广范应用。
可互换式的分流电阻器 (FL) 常应用于各种测量的仪器、仪表,可安装于 PCB 板、或主机板上。由铜,锰合金电焊组成,具有低温度系数,低电感量。德键 FL 分流电阻器于电压降 75 mV,可承载高达 10000A 的高电流。
德键 FLQ-54 型电阻分流器是由精密锰镍铜合金板组成,银合金的铜引脚焊接,保证了焊接点的电气性能。此结实的结构提供了高可靠性能,无电感量,及高负载能力电阻器。FLQ-54 系列广泛用于通讯系统、电子整机、自动化控制电源等限流回路、和均流或取样检测。
德键提供散装 FL 系列,符合无铅 及 RoHS 标准。可依客户的需求定制,为客户提供低阻系列电流感测分流电阻器产品。特殊的阻值、尺寸、规格、及产品最新信息,请与德键业务部洽询。
下载 PDF 版本: 合金分流电阻器 (FL)。
额定功率计算: 功率 (W) = 电流 (I2) x 电阻值 (Ω)
- 分流电阻器为电阻的一种,电流流经电阻器,会产生热发散的温升。
- 温升会改变电阻值,甚至造成电阻器的损害,因此分流电阻器有一定的额定功率或降额因子。
- 于实际应用设计中,建议使用 2/3 的分流电阻器的 "额定电流"。
- 热量的产生为功率,瓦(W)。
如何计算电流: 电流 (I) = 电压 (V) / 电阻值 (Ω)
- 把分流电阻器插入到电路,通过测量压降分流可以测量到系统的电流。
- 知道电阻的电流分流后,通过欧姆定律就可以计算出电流。
精密合金分流电阻器 FL-2 尺寸 (5A-100A, 单位: mm)
|
||||||||||||||||
| 额定 电压降 (mV) |
额定 电流 (A) |
尺寸 (单位: mm) | 高电流螺栓 (mm)-PC (选配) |
并联电压螺栓 (Shunt Voltage Bolt) (mm)-PC (选配) |
||||||||||||
| a | c | b | c1 | c2 | H | S | d | d1 | d2 | |||||||
| 75 | 5 | 120 | 100 | 20 | 15 | 5 | 30 | 42 | 60 | M5x6-2 | M5x6-2 | |||||
| 75 | 10 | 120 | 100 | 20 | 15 | 5 | 30 | 42 | 60 | M5x6-2 | ||||||
| 75 | 15 | 120 | 100 | 20 | 15 | 5 | 30 | 42 | 60 | M5x6-2 | ||||||
| 75 | 20 | 120 | 100 | 20 | 15 | 5 | 30 | 42 | 60 | M5x6-2 | ||||||
| 75 | 30 | 120 | 100 | 20 | 15 | 5 | 30 | 42 | 60 | M5x6-2 | ||||||
| 75 | 50 | 120 | 100 | 20 | 15 | 5 | 30 | 42 | 60 | M5x6-2 | ||||||
| 75 | 75 | 104 | 85 | 22 | 22 | 10 | 40 | 53 | M8x35-2 | |||||||
| 75 | 100 | 104 | 85 | 22 | 22 | 10 | 40 | 53 | M8x35-2 | |||||||
精密合金分流电阻器 FL-2 尺寸 (150A-1000A, 单位: mm)
|
||||||||||||||||
| 额定 电压降 (mV) |
额定 电流 (A) |
尺寸 (单位: mm) | 高电流螺栓 (mm)-PC (选配) |
并联电压螺栓 (Shunt Voltage Bolt) (mm)-PC (选配) |
||||||||||||
| a | c | b | c1 | c2 | H | S | d | d1 | d2 | |||||||
| 75 | 150 | 116 | 85 | 22 | 22 | 6 | 30 | 39 | 54 | M8x35-2 | M5x6-2 | |||||
| 75 | 200 | 116 | 85 | 22 | 22 | 6 | 30 | 39 | 54 | M8x35-2 | ||||||
| 75 | 250 | 126 | 100 | 26 | 22 | 6 | 40 | 49 | 64 | M10x35-2 | ||||||
| 75 | 300 | 126 | 100 | 26 | 22 | 6 | 40 | 49 | 64 | M10x35-2 | ||||||
| 75 | 400 | 126 | 100 | 38 | 22 | 6 | 40 | 49 | 64 | M10x35-2 | ||||||
| 75 | 500 | 126 | 100 | 45 | 22 | 6 | 40 | 49 | 64 | M10x35-2 | ||||||
| 75 | 600 | 126 | 100 | 62 | 22 | 6 | 40 | 49 | 64 | M10x35-2 | ||||||
| 75 | 750 | 126 | 100 | 76 | 50 | 22 | 6 | 40 | 49 | 64 | M10x35-4 | |||||
| 75 | 1000 | 126 | 100 | 95 | 50 | 22 | 6 | 40 | 49 | 64 | M10x35-4 | |||||
大电流型合金分流电阻器 FL-2 尺寸 (1500A-10000A, 单位: mm)
|
||||||||||||||||
| 额定 电压降 (mV) |
额定 电流 (A) |
尺寸 (单位: mm) | 高电流螺栓 (mm)-PC (选配) |
并联电压螺栓 (Shunt Voltage Bolt) (mm)-PC (选配) |
||||||||||||
| a | c | b | c1 | c2 | H | S | d | d1 | d2 | |||||||
| 75 | 1500 | 190 | 160 | 95 | 50 | 100 | 6 | 40 | 52 | 64 | M12x60-4 | M5x6-2 | ||||
| 75 | 2000 | 190 | 160 | 95 | 50 | 100 | 6 | 40 | 52 | 64 | M12x60-4 | |||||
| 75 | 2500 | 190 | 160 | 110 | 50 | 100 | 13 | 40 | 52 | 84 | M12x60-4 | |||||
| 75 | 3000 | 190 | 160 | 145 | 2-50 | 100 | 13 | 40 | 52 | 84 | M12x60-6 | |||||
| 75 | 4000 | 190 | 160 | 195 | 2-50 | 55 | 100 | 13 | 40 | 52 | 84 | M16x80-8 | ||||
| 75 | 5000 | 284 | 220 | 195 | 2-50 | 55 | 150 | 18 | 40 | 52 | 88 | M16x80-8 | ||||
| 75 | 6000 | 284 | 220 | 210 | 2-50 | 80 | 150 | 18 | 40 | 52 | 88 | M16x80-8 | ||||
| 75 | 7500 | 290 | 220 | 320 | 3-50 | 2-60 | 150 | 18 | 40 | 52 | 88 | M16x80-12 | ||||
| 75 | 10000 | 290 | 220 | 400 | 3-50 | 2-90 | 150 | 18 | 40 | 52 | 88 | M16x80-12 | ||||
精密合金分流电阻器 FL-13 尺寸 (30A-75A, 单位: mm)
|
|||||||
| 额定电压降 (mV) | 额定电流 (A) | 尺寸 (单位: mm) | 组装尺寸 (mm) | ||||
| L | B | H | C | Bolt | |||
| 75mV | 30A | 100 | 20 | 21 | 85 | M5 | |
| 75mV | 50A | 130 | 14 | 30 | 85 | M8 | |
| 75mV | 75A | 130 | 14 | 30 | 85 | M8 | |
大电流型合金分流电阻器 FL-13-A 尺寸 (100A-1000A, 单位: mm)
|
||||||||
| 额定电压降 (mV) | 额定电流 (A) | 尺寸 (单位: mm) | 组装尺寸 (mm) | |||||
| L | B | H | C | C1 | Bolt | |||
| 75mV | 100A | 130 | 14 | 30 | 85 | M8 | ||
| 75mV | 200A | 130 | 24 | 30 | 85 | M10 | ||
| 75mV | 300A | 130 | 30 | 30 | 100 | M10 | ||
| 75mV | 400A | 130 | 42 | 30 | 100 | M10 | ||
| 75mV | 500A | 130 | 52 | 30 | 100 | M10 | ||
| 75mV | 600A | 130 | 60 | 30 | 100 | 50 | M10 | |
| 75mV | 750A | 130 | 77 | 30 | 100 | 50 | M10 | |
| 75mV | 1000A | 130 | 95 | 30 | 100 | M10 | ||
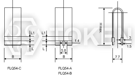
径向立式合金分流电阻器 FLQ54 尺寸 (30A-100A, 单位: mm)
|
||||||
| 规格 | 尺寸 (单位: mm) | 端子式样 | ||||
| H max. | B | L | L1 | |||
| FLQ54-A | 37 | 18 | 3 | 3 | 6 | |
| FLQ54-B | 60 | 30 | 5 | 5 | 6 | |
| FLQ54-C | 32 | 15 | 3 | 3 | 2 | |
精密锰镍铜合金分流电阻器 FLQ54 电气特性 (30A-100A)
| 规格 | 额定电流 (A) | 额定压降 (mV) | 公称阻值 (mΩ) | 精度等级 | 温度范围 (°C) | 温度系数 (ppm/°C) |
| FLQ54-A | 30 | 50 | 1.6667 | 0.5 | -55 ~ +85 | ±25 |
| FLQ54-A | 50 | 50 | 1.0000 | |||
| FLQ54-A | 60 | 50 | 0.8333 | |||
| FLQ54-B | 60 | 50 | 0.8333 | |||
| FLQ54-B | 75 | 50 | 0.6667 | |||
| FLQ54-B | 100 | 50 | 0.5000 | |||
| FLQ54-C | 30 | 45 | 1.5000 | |||
| FLQ54-C | 60 | 45 | 0.7500 |
精密锰镍铜合金分流电阻器 (FL-2, FL-13, FL-13-A) 性能测试条件
| 测试项目 | 规格标准 |
| 额定电压降 Voltage Drop | 50mV, 60mV, 75mV, 100mV. |
| 精度等级 Accuracy Class | 0.5% for 5~4000 A; 1% for 5000~6000 A。 |
| 过负荷性能 Over Rating Capacity | 施加 120% 额定电流,持续 2 小时。 |
| 操作环境条件 Ambient Conditions | 操作温度:-40~+60°C; 相对湿度:≤95% 35°C。 |
| 负载热温 Giving Out Heat When Loaded | 额定电流 50A 以下,不可超过 80°C;额定电流 50A 及以上,不可超过 120°C。 |
| 机械冲击性能 Mechanical Capacity | 可承受 70m/S2 加速冲击力,及机械震动 80-120 次/分,持续 5 小时。 |
精密锰镍铜合金分流电阻器 (FL) 料号标识
| FL-2 | - | 5A | 50mV | F | p | |||||||||||||||||||||||||||||||||||||
| 1 | 2 | 3 | 4 | 5 | ||||||||||||||||||||||||||||||||||||||
|
|
|
|
|
||||||||||||||||||||||||||||||||||||||






