Chip Current Detecting Resistors
(CS)Product Introduction (CS)
Token Chip Current Detecting Chip Resistor (CS) save space and weight.
Token Electronics has launched the CS series, a family of ultra small low value surface mount curren sensing resistor. These smaller sizes save space on the circuit board, allowing the production of smaller and lighter products.
The new series complements Token's existing LRC Series, offering metal resistive film on ceramic construction but providing increased choice for product designers in the form of more smaller sizes options of 0201, 0402, 0603, 0805, 1206, 2010, 2512, 1225, 3720, 7520, and 0612.
Designed for current detecting in power electronic systems, the fully RoHS compliant CS series is suitable for a range of applications including the monitoring of power usage and battery life; and provision of output protection for power supplies; as well as for a range of consumer and automotive products such as satellite navigation, handheld PDAs and digital set-top boxes.
The series offers ohmic values as low as 1mΩ to minimise power consumption and has an ambient temperature range of -55°C to +155°C.
Exhibiting a resistance range up to 8000mΩ and excellent heat dissipation qualities, the series offers designers enhanced power handling capabilities and protection from the threat of localised heating, resulting in the production of a more energy efficient product.
As demand continues to grow for reduced size, handheld and portable devices operating at low voltages, designers will look to manufacturers to produce smaller and smaller current sense resistors. Token expects that demand for its latest range of small size resistor will be high.
Downloads Complete Specification PDF (423KB) (CS) Chip Current Detecting Chip Resistor.
Contact us with your specific needs.
Features :
- Low TCR of ±100 PPM/°C.
- Resistance Values from 1mΩ to 8000mΩ.
- 3W Power Rating in 1W size, 1225 Package.
- Long size Terminations with Higher Power Rating.
- High Purity Alumina Substrate for High Power Dissipation.
- Products with Pb-free Terminations Meet RoHS Requirements.
Applications :
- Voltage Regulation Module (VRM).
- Portable Devices (PDA, Cell phone).
- Disk Driver, Switching Power Supply.
- Over Current Protection in Audio Application.
- DC-DC Converter, Battery Pack, Charger, Adaptor.
- Automotive Engine Control, Power Management Applications.
Dimensions (Unit: mm) (CS)
|
|||||||
| Type | L (Unit: mm) | W (Unit: mm) | T (Unit: mm) | D1 (Unit: mm) | D2 (Unit: mm) | Weight (g) / 1000pcs | |
| CS01 (0201) | 0.60±0.03 | 0.30±0.03 | 0.23±0.05 | 0.12±0.05 | 0.15±0.05 | 0.18 | |
| CS02 (0402) | 1.00±0.05 | 0.50±0.05 | 0.32±0.10 | 0.25±0.10 | 0.20±0.10 | 0.7 | |
| CS03 (0603) | 1.60±0.10 | 0.80±0.10 | 0.45±0.10 | 0.30±0.20 | 0.30±0.20 | 1.99 | |
| CS05 (0805) | 2.00±0.10 | 1.25±0.10 | 0.55±0.10 | 0.30±0.20 | 0.40±0.25 | 5.3 | |
| CS06 (1206) | 3.10±0.10 | 1.55±0.10 | 0.55±0.10 | 0.50±0.30 | 0.40±0.25 | 8.82 | |
| CS13 (1210) | 3.10±0.10 | 2.60±0.15 | 0.55±0.10 | 0.50±0.30 | 0.50±0.25 | 15.5 | |
| CS10 (2010) | 5.00±0.10 | 2.50±0.15 | 0.60±0.15 | 0.60±0.30 | 0.50±0.25 | 27.03 | |
| CS12 (2512) | 6.35±0.10 | 3.10±0.15 | 0.60±0.10 | 0.60±0.30 | 0.55±0.25 | 43.08 | |
| CS12 (2512) 2W (10 ~ 99)mΩ | 6.35±0.20 | 3.15±0.15 | 0.74±0.10 | 0.60±0.30 | 0.55±0.25 | 53.08 | |
| CS12 (2512) 2W (100 ~ 1000)mΩ | 6.35±0.20 | 3.15±0.15 | 0.74±0.10 | 0.60±0.30 | 2.10±0.10 | 53.08 | |
| CS25 (1225) | 3.10±0.15 | 6.30±0.15 | 0.90±0.15 | 0.60±0.30 | 0.80±0.25 | 64.88 | |
| CS37 (3720) | 2.00±0.20 | 3.75±0.20 | 0.60±0.10 | 0.40±0.20 | 0.40±0.20 | 19.96 | |
| CS75 (7520) | 2.00±0.20 | 7.50±0.30 | 0.60±0.10 | 0.40±0.20 | 0.40±0.20 | 35.71 | |
| CS62 (0612) | 1.55±0.10 | 3.10±0.15 | 0.55±0.10 | 0.30±0.15 | 0.45±0.15 | 10.19 | |
Marking for 0603 Current Detecting Resistor (CS)
| Marking | Value |
| 1R0 | 1.000Ω |
| R10 | 0.100Ω |
| R01 | 0.010Ω |
| 138 | 0.138Ω |
| 039 | 0.039Ω |
Standard Electrical Specifications (CS)
| Type | Power Rating at 70°C |
Operating Temp. Range | Resistance Tolerance (%) |
Max. Operating Current (A) |
Resistance Range (mΩ) |
TCR (PPM/°C) |
| CS01 (0201) | 1/20W | (-55 ~ +155)°C | ±1% ±2% ±5% |
0.70A | 100 - 147 150 - 500 510 - 1000 |
±1000 ±600 ±300 |
| CS02 (0402) | 1/16W | 1.11A | 50 - 100 102 - 500 510 - 1000 |
±400 ±300 ±200 |
||
| CS03 (0603) | 1/10W | 2.23A | 20 - 50 51 - 100 102 - 500 510 - 1000 |
±600 ±400 ±300 ±200 |
||
| CS05 (0805) | 1/8W | 2.50A | 20 - 50 51 - 100 102 -196 200 - 1000 |
±600 ±400 ±300 ±200 |
||
| CS06 (1206) | 1/4W | 5.00A | 10 - 20 21 - 50 51 - 91 100 - 1000 |
±600 ±400 ±300 ±200 |
||
| CS13 (1210) | 1/2W | 7.07A | ||||
| CS10 (2010) | 3/4W | 8.66A | ||||
| CS12 (2512) | 1W | 10.0A | ||||
| CS25 (1225) | 3W | 31.6A | 3 - 5 6 - 20 21 - 30 33 - 8000 |
±300 ±200 ±150 ±100 |
||
| CS37 (3720) | 1W | 10.0A | 10 - 18 20 - 500 |
±300 ±150 |
||
| CS75 (7520) | 2W | ±2%,±5% | 44.7A | 1 - 4 | ±300 | |
| ±1% ±2% ±5% |
5 - 10 11 - 350 |
±200 ±150 |
||||
| CS62 (0612) | 1W | 10.0A | 10 - 27 30 - 91 100 – 499 500 - 1000 |
±600 ±300 ±200 ±100 |
|
High Power Rating Electrical Specifications Energy Efficient (CS)
| Type | Power Rating at 70°C |
Operating Temp. Range | Resistance Tolerance (%) |
Max. Operating Current (A) |
Resistance Range (mΩ) |
TCR (PPM/°C) |
| CS02 (0402) | 1/8W | (-55 ~ +155)°C | ±1% ±2% ±5% |
1.56A | 51 - 100 102 - 500 510 - 1000 |
±400 ±300 ±200 |
| CS03 (0603) | 1/8W, 1/5W | 1.98A | ||||
| CS05 (0805) | 1/4W | 2.21A | CS06 (1206) | 1/2W | 7.07A | 10 - 20 21 - 50 51 - 91 100 - 1000 |
±600 ±400 ±300 ±200 |
| CS13 (1210) | 3/4W | 8.66A | ||||
| CS10 (2010) | 1W | 10.0A | ||||
| CS12 (2512) | 1.5W | 12.2A | ||||
| CS12 (2512) | *2W | 14.1A |
*: Ultra High Power
Low TCR Electrical Specifications (CS)
| Type | Power Rating at 70°C |
Operating Temp. Range | Resistance Tolerance (%) |
Max. Operating Current (A) |
Resistance Range (mΩ) |
TCR (PPM/°C) |
| CS05 (0805) | 1/8W | (-55 ~ +155)°C | ±1% ±2% ±5% |
1.11A | 100 - 1000 | ±100 |
| CS06 (1206) | 1/4W | 1.58A | 100 - 1000 | ±100 | ||
| CS13 (1210) | 1/2W | 2.58A | 75 - 1000 | ±100 | ||
| CS10 (2010) | 3/4W | 3.87A | 50 - 1000 | ±100 | ||
| CS12 (2512) | 1W | 7.07A | 20 - 1000 | ±100 | ||
| CS12 (2512) | *2W | 6.32A | 50 - 1000 | ±100 | ||
| CS37 (3720) | 1W | 3.16A | 100 - 500 | ±100 | ||
| CS75 (7520) | 2W | 6.32A | 50 - 350 | ±100 |
Pad Layout (Except For CS12:Ultra High Power Rating Series) (CS)
| Figure | Codes | A (mm) | B (mm) | C (mm) |
![]() (CS) Recommend Land Pattern |
CS01 | 0.25 | 0.30 | 0.40±0.2 |
| CS02 | 0.50 | 0.50 | 0.60±0.2 | |
| CS03 | 0.80 | 1.00 | 0.90±0.2 | |
| CS05 | 1.00 | 1.00 | 1.35±0.2 | |
| CS06 | 2.00 | 1.15 | 1.70±0.2 | |
| CS13 | 2.00 | 1.15 | 2.50±0.2 | |
| CS10 | 3.60 | 1.40 | 2.50±0.2 | |
| CS12 | 4.90 | 1.60 | 3.20±0.2 | |
| CS25 | 1.20 | 2.00 | 7.00±0.2 | |
| CS37 | 1.00 | 1.80 | 3.90±0.2 | |
| CS75 | 1.00 | 1.80 | 7.60±0.2 | |
| CS62 | 0.60 | 1.00 | 3.20±0.2 |
Pad Layout (For CS12: Ultra High Power Rating Series) (CS)
| Codes | Resistance Range | A (mm) | B (mm) | C (mm) |
| CS12 | (10~99)mΩ | 4.90 | 1.60 | 3.20±0.2 |
| CS12 | (100~1000)mΩ | 1.00 | 3.55 | 3.20±0.2 |
Soldering Condition (CS)
|
|
|
Power Derating Curve (CS)
|
Environmental Characteristics (CS)
| Item | Specification | Test Method |
| Temperature Coefficient of Resistance (T.C.R) | As Spec | JIS-C-5201-1 4.8 IEC-60115-1 4.8 -55°C~+125°C, 25°C is the reference temperature |
| Short Time Overload | ±(0.5%+0.05Ω) | JIS C 5201-1 4.13 IEC 60115-1 4.13 RCWV*2.5 or Max. Overload Voltage whichever is less for 5 seconds. |
| ±(1.0%+0.05Ω For High power rating | ||
| Insulation Resistance | ≥10GΩ | JIS-C-5201-1 4.6 IEC-60115-1 4.6 Max. Overload Voltage for 1 minute |
| Endurance | ±(1.0%+0.05Ω) | JIS-C-5201-1 4.25 IEC-60115-1 4.25.1 70±2°C, RCWV for 1000 hrs with 1.5 hrs “ON” and 0.5 hrs "OFF" |
| Damp Heat with Load | ±(0.5%+0.05Ω) | JIS-C-5201-1 4.24 IEC-60115-1 4.24 40±2°C, 90~95% R.H., RCWV for 1000 hrs with 1.5 hrs "ON" and 0.5 hrs "OFF" |
| Dry Heat | ±(0.5%+0.05Ω) | JIS-C-5201-1 4.23 IEC-60115-1 4.23.2 at +155°C for 1000 hrs |
| Bending Strength | ±(1.0%+0.05Ω) | JIS-C-5201-1 4.33 IEC-60115-1 4.33 Bending once for 5 seconds with 3mm 2010, 2512 sizes: 2mm |
| Solderability | 95% min coverage | JIS-C-5201-1 4.17 IEC-60115-1 4.17 245±5°C for 3 seconds |
| Resistance to Soldering Heat | ±(0.5%+0.05Ω) | JIS-C-5201-1 4.18 IEC-60115-1 4.18 260±5°C for 10 seconds |
| Voltage Proof | No breakdown or flashover | JIS-C-5201-1 4.7 IEC-60115-1 4.7 1.42 times Max. Operating Voltage for 1 minute |
| Leaching | Individual leaching area ≤5% Total leaching area ≤10% |
JIS-C-5201-1 4.18 IEC-60068-2-58 8.2.1 260±5°C for 30 seconds |
| Rapid Change of Temperature | ±(0.5%+0.05Ω) | JIS-C-5201-1 4.19 IEC-60115-1 4.19 -55°C to +155°C, 5 cycles |
|
Packing Quantity & Reel Specifications (CS)
|
|||||||||
| Type | ΦA (mm) | ΦB (mm) | ΦC (mm) | W (mm) | T (mm) | Paper Tape(EA) | Embossed Tape(EA) | ||
| CS01 | 178.0±1.0 | 60.0+1.0 | 13.5±0.7 | 9.5±0.1 | 11.5±1.0 | 10,000 | - | ||
| CS02 | 178.0±1.0 | 60.0+1.0 | 13.5±0.7 | 9.5±0.1 | 11.5±1.0 | 10,000 | - | ||
| CS03 | 178.0±1.0 | 60.0+1.0 | 13.5±0.7 | 9.5±0.1 | 11.5±1.0 | 5,000 | - | ||
| CS05 | 178.0±1.0 | 60.0+1.0 | 13.5±0.7 | 9.5±0.1 | 11.5±1.0 | 5,000 | - | ||
| CS06 | 178.0±1.0 | 60.0+1.0 | 13.5±0.7 | 9.5±0.1 | 11.5±1.0 | 5,000 | - | ||
| CS13 | 178.0±1.0 | 60.0+1.0 | 13.5±0.7 | 9.5±0.1 | 11.5±1.0 | 5,000 | - | ||
| CS10 | 178.0±1.0 | 60.0+1.0 | 13.5±0.7 | 13.5±1.0 | 15.5±1.0 | - | 4,000 | ||
| CS12 | 178.0±1.0 | 60.0+1.0 | 13.5±0.7 | 13.5±1.0 | 15.5±1.0 | - | 4,000 | ||
| CS12 (2W) | 178.0±1.0 | 60.0+1.0 | 13.5±0.7 | 13.5±1.0 | 15.5±1.0 | - | 2,000 | ||
| CS25 | 178.0±1.0 | 60.0+1.0 | 13.5±0.7 | 13.5±1.0 | 15.5±1.0 | - | 2,000 | ||
| CS37 | 178.0±1.0 | 60.0+1.0 | 13.5±0.7 | 13.5±1.0 | 15.5±1.0 | - | 2,000 | ||
| CS75 | 178.0±1.0 | 60.0+1.0 | 13.5±0.7 | 17.5±1.0 | 19.5±1.0 | - | 2,000 | ||
| CS62 | 178.0±1.0 | 60.0+1.0 | 13.5±0.7 | 9.5±0.1 | 11.5±1.0 | 5,000 | - | ||
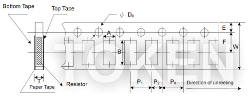
Paper Tape Specifications (CS)
| |||||||||||||
| Type | A (mm) | B (mm) | W (mm) | E (mm) | F (mm) | P0 (mm) | P1 (mm) | P2 (mm) | ΦD0 (mm) | T | |||
| CS01 | 0.38±0.05 | 0.68±0.05 | 8.0±0.20 | 1.75±0.10 | 3.50±0.05 | 4.00±0.10 | 2.00±0.05 | 2.00±0.05 | 1.50+0.1,-0 | 0.42±0.20 | |||
| CS02 | 0.65±0.10 | 1.15±0.10 | 8.0±0.20 | 1.75±0.10 | 3.50±0.05 | 4.00±0.10 | 2.00±0.05 | 2.00±0.05 | 1.50+0.1,-0 | 0.45±0.10 | |||
| CS03 | 1.10±0.10 | 1.90±0.10 | 8.0±0.20 | 1.75±0.10 | 3.50±0.05 | 4.00±0.10 | 4.00±0.05 | 2.00±0.05 | 1.50+0.1,-0 | 0.70±0.10 | |||
| CS05 | 1.60±0.10 | 2.40±0.20 | 8.0±0.20 | 1.75±0.10 | 3.50±0.05 | 4.00±0.10 | 4.00±0.05 | 2.00±0.05 | 1.50+0.1,-0 | 0.85±0.10 | |||
| CS06 | 1.90±0.10 | 3.50±0.20 | 8.0±0.20 | 1.75±0.10 | 3.50±0.05 | 4.00±0.10 | 4.00±0.05 | 2.00±0.05 | 1.50+0.1,-0 | 0.85±0.10 | |||
| CS13 | 2.90±0.10 | 3.50±0.20 | 8.0±0.20 | 1.75±0.10 | 3.50±0.05 | 4.00±0.10 | 4.00±0.05 | 2.00±0.05 | 1.50+0.1,-0 | 0.85±0.10 | |||
| CS62 | 1.90±0.10 | 3.50±0.20 | 8.0±0.20 | 1.75±0.10 | 3.50±0.05 | 4.00±0.10 | 4.00±0.05 | 2.00±0.05 | 1.50+0.1,-0 | 0.85±0.10 | |||
Emboss Plastic Tape Specifications (CS)
| |||||||||||||
| Type | A (mm) | B (mm) | W (mm) | E (mm) | F (mm) | P0 (mm) | P1 (mm) | P2 (mm) | ΦD0 (mm) | ΦD1 (mm) | T | ||
| CS10 | 2.80±0.10 | 5.50±0.10 | 12.0±0.30 | 1.75±0.10 | 5.5±0.05 | 4.00±0.05 | 4.00±0.10 | 2.00±0.05 | 1.50+0.10 | 1.4 Min. | 1.00±0.20 | ||
| CS12 | 3.50±0.10 | 6.70±0.10 | 12.0±0.30 | 1.75±0.10 | 5.5±0.05 | 4.00±0.05 | 4.00±0.10 | 2.00±0.05 | 1.50+0.10 | 1.4 Min. | 1.00±0.20 | ||
| CS12 (2W) | 3.38±0.10 | 6.68±0.10 | 12.0±0.30 | 1.75±0.10 | 5.5±0.10 | 4.00±0.10 | 4.00±0.10 | 2.00±0.05 | 1.55+0.05 | 1.4 Min. | 1.45±0.20 | ||
| CS25 | 3.38±0.10 | 6.68±0.10 | 12.0±0.30 | 1.75±0.10 | 5.5±0.10 | 4.00±0.10 | 4.00±0.10 | 2.00±0.05 | 1.55+0.05 | 1.4 Min. | 1.45±0.20 | ||
| CS37 | 2.50±0.20 | 4.45±0.20 | 12.0±0.30 | 1.75±0.10 | 5.5±0.05 | 4.00±0.05 | 4.00±0.10 | 2.00±0.05 | 1.50+0.10 | 1.4 Min. | 1.20±0.20 | ||
| CS75 | 2.50±0.20 | 8.30±0.20 | 16.0±0.30 | 1.75±0.10 | 7.8±0.05 | 4.00±0.05 | 4.00±0.10 | 2.00±0.05 | 1.50+0.10 | 1.4 Min. | 1.20±0.20 | ||
Order Codes (CS)
| CS | 12 | J | TR | G | A | R100 | N | |||||||||||||||||||||||||||||||||||||||||||||||||||||||||||||||||||||||||||||||||||||||||||||||
| 1 | 2 | 3 | 4 | 5 | 6 | 7 | 8 | |||||||||||||||||||||||||||||||||||||||||||||||||||||||||||||||||||||||||||||||||||||||||||||||
|
|
|
|
|
|
|
|
|||||||||||||||||||||||||||||||||||||||||||||||||||||||||||||||||||||||||||||||||||||||||||||||




IR Reflow Soldering
Wave Soldering (Flow Soldering)

Paper Tape Specifications
Emboss Plastic Tape Specifications