貼片平衡-不平衡變壓器 巴倫變壓器
(TCB5F) 用於混頻器

貼片巴倫變壓器用於混頻器 - TCB5F 系列
德鍵電子採用最新的绕线專業知識,實現耦合佈線一致性的最佳化,是在開發的表面貼裝巴倫中,最具成本效益的產品之一。為了便於直接安裝在 PCB 上,巴倫變壓器 (TCB5F) 選用底部端子設計。廣泛應用於台式電腦,電視機等大型裝置。適用於寬帶變壓器,晶體管,STB,雙平衡混頻器,有線調製解調器的混頻器,和阻抗轉換。
平衡-不平衡變壓器即 Balance-Unbalance,英文將其合併縮寫成一個新詞 Balun,音譯為巴倫,平衡不平衡巴倫 (Balun) 是變換器的一種。巴倫變壓器 (Balun Transformer) 是一對端子由單端傳輸平衡的裝置,電流的大小相等,方向相反,如半波振子天線,雙絞電纜線,推挽電路等。另一對端子變換為差分傳輸不平衡,一側連接到電氣接地,另一側承載信號,如同軸電纜,線微帶線等。射頻變壓器廣泛應用於低功率電子電路中,以實現阻抗匹配最大功率傳輸,用於升壓或降壓,並且用於隔離兩個電路的直流保持交流連續性。也用於共模抑制和平衡-不平衡變壓器。
德鍵推出了表面貼裝射頻巴倫變壓器 (射頻平衡變壓器) 用於混頻器,具有 6.9 x 6.9 mm 堅固尺寸,具有電器特性 300 μiac 及 230 μiac 電導率兩種選擇,高頻雜訊抑制,訊號不衰減,體積小、使用方便。適用於地面數字廣播小型設備,調諧天線輸入中的不平衡平衡信號之間進行轉換電路。
德鍵 (TCB5F) 共模變壓器主要用於最大功率傳輸及阻抗匹配,符合 RoHS 規範,Lead-Free 無鉛標準,與 Murata 巴倫變壓器兼容,為全球客戶提供全面的應用工程和設計支持。
下載 PDF 版本: 貼片平衡-不平衡變壓器 巴倫變壓器 (TCB5F) 用於混頻器。
特性:
- 使用雙線配對繞組可實現高均勻性。
- 提供卷裝或帶裝包裝方式,適用於 SMT 自動表面安裝。
用途:
- 多頻變壓器、平衡-不平衡變壓器。
- 雙平衡調音裝置、阻抗變壓器。
- 数字机顶盒 BALUN 混频变压器。
- 有線電視貓 Modem,BALUN 混頻變壓器。
結構圖及規格尺寸 (TCB5F) 單位:mm
 貼片巴倫變壓器 (TCB5F) 尺寸圖
|
|
| 型號 |
A (max) |
B (max) |
C (max) |
D |
E |
F |
G |
H |
I |
J |
| TCB5F |
6.9 |
6.9 |
4.4 |
4.0 |
3.8 |
0.6 |
5.7 |
1.7 |
1.2 |
4.0 |
注: 可依客戶特殊需求設計
>電氣特性 (TCB5F - 458DB)
| 產品料號 |
圈 數 1-6=2-4=2-6=3-4 |
μiac |
| TCB5F - 458DB1614 |
2 1/2 T |
300 |
| TCB5F - 458DB1615 |
3 1/2 T |
300 |
| TCB5F - 458DB1616 |
4 1/2 T |
300 |
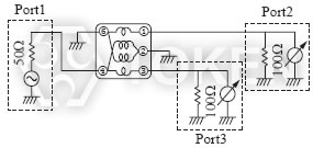
測試電路 (TCB5F - 458DB)
 (TCB5F - 458DB) 測試電路
|
|
代表特性圖 (TCB5F - 458DB)
 (TCB5F - 458DB) 代表特性圖
|
|
電氣特性 (TCB5F - 458PT)
| 產品料號 |
圈 數 1-2=2-3=4-6 |
μiac |
| TCB5F - 458PT1619 |
2 T |
300 |
| TCB5F - 458PT1586 |
3 T |
230 |
| TCB5F - 458PT1587 |
4 T |
230 |
| TCB5F - 458PT1565 |
5 T |
230 |
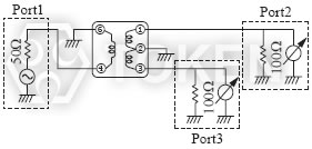
測試電路 (TCB5F - 458PT)
 (TCB5F - 458PT) 測試電路
|
|
代表特性圖 (TCB5F - 458PT)
 (TCB5F - 458PT) 代表特性圖
|
|
料號標識 (TCB5F)
| TCB5F |
- |
458DB1614 |
| 1 | | 2 |
|
|
| 型號 |
| 458DB1614 |
Frequency mixer 用於混頻器 |
| 458DB1615 |
Frequency mixer 用於混頻器 |
| 458PT1619 |
Frequency mixer 用於混頻器 |
| 458PT1586 |
Frequency mixer 用於混頻器 |
|