貼片 超薄 高電流 開放式繞線電感
(TRWL)- “貼片 超薄 高電流 開放式繞線電感 - TRWL 系列” 欄目分頁:
- 1. TRWL 系列 - 產品簡介,結構及尺寸, 包裝及捲裝, 環境特性, & 料號標識
- 2. TRWL 系列 特性 - 0402, 0603, 0805, 1206, 1008, 0805 Low Profile, 1008 Low Profile, 0603 High Current, 0805 High Q, 1008 High Q
貼片開放式繞線超薄高電流電感(TRWL),超小體積電感,可提供較高的 Q 值。
目前業界的片式固定繞線電感器以芯體主要分為兩大類工藝,第一種工藝製程:通常採用微小工字型磁芯,經繞線、焊接、電極成型,塑封等工序製成,這種類型片式電感器的優點:生產工藝簡單,電性能優良(電感值 L,和品質因素 Q 均高),適於大電流通過,可靠性良好等;缺點是受磁芯物理尺寸和製造工藝限制,進一步微小型化比較困難。
第二種工藝製程:是採用 H 型(或 Ⅱ 型)陶瓷芯,經過繞線、焊接、塗復、環氧樹脂封裝等工藝製成。由於電極已預制在陶瓷芯體上,製造工藝更為簡單,而且可進一步微小型化。德鍵貼片開放式 (TRWL) 超薄高電流電感器系列,就是採取這種結構設計的片式繞線電感器。片式 (TRWL) 的優點:高共振頻率的陶瓷體線繞結構,超小體積電感,可提供較高的 Q 值、超薄型,高電流,可用於自動化組配、極佳抗機械振動和耐擠壓,誤差值±2%。
德鍵電子 (TRWL) 主要產品品種有標準型:TRWL02 (EIA 0402)、TRWL03 (EIA 0603)、TRWL05 (EIA 0805)、TRWL06 (EIA 1206)、和 TRWL08 (EIA 1008)。超薄型有:TRWL05 (EIA 0805)、和 TRWL08 (EIA 1008) 兩款。高電流型:TRWL03 (EIA 0603)。高 Q 值型:TRWL05 (EIA 0805)、和 TRWL03 (EIA 0603) 兩款。款式多樣,自諧頻率高,適合工程人員選配最佳的高頻片式線繞電感器。
德鍵超薄貼片繞線電感 (TRWL) 系列,廣泛使用在移動電話(CDMA/GSM/PHS)、無線電話 (DECT/CT1CT2)、遙控裝置、安全保衛系統、無線自動控制、TCWLL、無線局域網/鼠標/鍵盤/耳機、VCO、RF模組及無線產品、基地台、 GPS 接收台、CATV 濾波器、調諧器、機頂盒、USB2.0、IEEE 1394 上。
特性:
- 超小體積電感,可提供較高的 Q 值。
- 高共振頻率的陶瓷體線繞結構。
- 超薄型,高電流,誤差值±2%。
- 小型貼片電感可用於自動化組配。
- 極佳抗機械振動和擠壓。
- 最小尺寸為 0402 (1005)。
用途:
- 移動電話 (CDMA/GSM/PHS),無線電話 (DECT/CT1CT2)
- VCO,RF 模組 無線產品,基地台,GPS 接收台
- TCWLL,無線局域網 / 鼠標 / 鍵盤 / 耳機
- 遙控裝置,安全保衛系統,無線自動控制
- CATV 濾波器,調諧器,機頂盒
- USB 2.0,IEEE 1394
TRWL 系列 - 結構及尺寸
|
|||||||||||
| 型號 | A Max. |
B Max. |
C Max. |
D Ref. |
E | F | G | H | I | J | |
| 常規型 | |||||||||||
| TRWL02 (EIA 0402) | 1.27 | 0.76 | 0.61 | 0.15 | 0.51 | 0.23 | 0.56 | 0.66 | 0.50 | 0.46 | |
| TRWL03 (EIA 0603) | 1.80 | 1.12 | 1.02 | 0.38 | 0.76 | 0.33 | 0.86 | 1.02 | 0.64 | 0.64 | |
| TRWL05 (EIA 0805) | 2.29 | 1.73 | 1.52 | 0.51 | 1.27 | 0.44 | 1.02 | 1.78 | 1.02 | 0.76 | |
| TRWL06 (EIA 1206) | 3.56 | 2.16 | 1.52 | 0.50 | 1.20 | 0.50 | 2.20 | 1.93 | 1.02 | 1.78 | |
| TRWL08 (EIA 1008) | 2.92 | 2.79 | 2.03 | 0.65 | 2.03 | 0.51 | 1.52 | 2.54 | 1.02 | 1.27 | |
| 超薄型 | |||||||||||
| TRWL05 (EIA 0805) | 2.29 | 1.73 | 1.03 | 0.51 | 1.27 | 0.44 | 1.02 | 1.78 | 1.02 | 0.76 | |
| TRWL08 (EIA 1008) | 2.92 | 2.79 | 1.40 | 0.65 | 2.03 | 0.51 | 1.52 | 2.54 | 1.02 | 1.27 | |
| 高電流/高 Q 型 | |||||||||||
| TRWL03 (EIA 0603) | 1.80 | 1.12 | 1.02 | 0.38 | 0.76 | 0.33 | 0.86 | 1.02 | 0.64 | 0.64 | |
| TRWL05 (EIA 0805) | 2.29 | 1.73 | 1.52 | 0.51 | 1.27 | 0.44 | 1.02 | 1.78 | 1.02 | 0.76 | |
| TRWL08 (EIA 1008) | 2.92 | 2.79 | 2.03 | 0.65 | 2.03 | 0.51 | 1.52 | 2.54 | 1.02 | 1.27 | |
Note: 色碼:
0603 / 0805 / 1206 / 1008 系列 (0402 系列不用色碼標識)
因尺寸小,故用顏色點標識電感值,每個系列的電感值,都可根據其顏色點識別它的電感值。
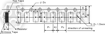
TRWL 系列 - 包裝數量及捲裝規格(單位: mm)
|
|
TRWL 系列 - 內襯塑膠帶規格(Unit: mm)
|
|||||||||||
| 產品型號 | A ±0.10 |
B ±0.10 |
W ±0.2 |
E ±0.10 |
F ±0.1 |
P0 ±0.10 |
P1 ±0.10 |
P2 ±0.05 |
ΦD0 +0.10 |
t ±0.05 |
|
| TRWL08 | 2.70 | 2.80 | 8.0 | 1.75 | 3.5 | 4.00 | 4.00 | 2.00 | 1.50 | 2.00 | |
| TRWL06 | 1.95 | 3.50 | 8.0 | 1.75 | 3.5 | 4.00 | 4.00 | 2.00 | 1.50 | 1.50 | |
| TRWL05 | 1.85 | 2.30 | 8.0 | 1.75 | 3.5 | 4.00 | 4.00 | 2.00 | 1.50 | 1.45 | |
| TRWL03 | 1.12 | 1.85 | 8.0 | 1.75 | 3.5 | 4.00 | 4.00 | 2.00 | 1.50 | 0.96 | |
| TRWL02 | 0.71 | 1.16 | 8.0 | 1.75 | 3.5 | 4.00 | 2.00 | 2.00 | 1.50 | 0.65 | |
TRWL 系列 - 機械性能試驗
| 項目 | 規格 | 測試方法 |
| 電感值 | 參照標准電氣特性規格書 | HP4291B |
| Q 值 | HP4291B | |
| 共振頻率 | HP8753D | |
| 直流阻抗 | Micro-Ohm meter (Gom-801G) | |
| 定格電流 | 加電流至線圈,電感變化量必須小于原始值的10% | |
| 超負荷測試 | 電感沒有明顯的外表損傷 | 施以兩次以五分鐘為一周期的額定直流電測量 |
| 耐電壓 | 電感沒有明顯的外表損傷 | 施以500V工作電壓至電感端腳一分鐘 |
| 絕緣阻抗 | 1000MΩ min | 施以100V工作電壓至電感端腳 |
TRWL 系列 - 電氣性能試驗
| 項目 | 規格 | 測試方法 |
| 耐振動試驗 | 外觀:無損傷 電感值變化率:±5%以內 Q值變化率:±10%以內 |
測試物應焊在基板上 擺動頻率:10 to 55 to 10 Hz for 1 min 擺幅:1.5mm 時間:於每一軸向擺動 2hrs (X,Y,Z),共 6hrs |
| 耐焊接熱 | 焊接溫度:260±5°C 浸入時間:10±2秒 |
|
| 黏著性試驗 (拉力試驗) |
1 lbs. For 0402 2 lbs. For 0603 3 lbs. For the rest |
物件應焊在鍍錫銅板上 (260±5°C 10秒鐘)。
震動測試儀應安裝在物件一側。 物件須能承受 2-4 Pounds 而不會鬆散。 |
| 落下試驗 | 無異常現象 | 從每一邊及每一角依序釋落,共落下十次 落下高度:100厘米 重量:125g |
| 可焊性試驗 | 90%覆蓋焊錫 | 電感須浸入 235±5°C 溶錫鍋內 5 秒鐘 |
| 抗溶性測試 | 外觀無現損傷 | MIL-STD202F 215D 方法 |
TRWL 系列 - 氣候試驗
| 項目 | 規格 | 測試方法/td> | ||||||||||||||
| 溫度特性 | 外觀:無損傷 電感值變化率:±10%以內 Q值變化率:±20%以內 |
-40°C~+125°C | ||||||||||||||
| 耐溫特性 | 溫度:40±2°C 相對溫度:90~95% 時間:96hrs±2hrs 標准室內時間2小時測量 |
|||||||||||||||
| 低溫貯存試驗 | 溫度:-40±2°C 時間:48±2hrs Inductors are tested after 1 hour at room temperature |
|||||||||||||||
| 熱沖擊試驗 | 一次循環:
|
|||||||||||||||
| 高溫貯存試驗 | 溫度:125±2°C 時間:48±2hrs 標准室內時間1小時測量 |
|||||||||||||||
| 高溫負載壽命 | 沒有明顯開路損傷 | 溫度:85±2°C 時間:1000±12hrs 負載︰允許直流電流 |
||||||||||||||
| 溼度負載壽命 | 溫度:40±2°C 相對濕度:90~95% 時間:1000±12hrs 負載︰允許直流電流 |
| Note: 儲存溫度:25±3°C;濕度:<80%RH |
繞線電感 TRWL 系列 - 料號標識
| TRWL | 08 | J | TR | L | 1N6 | G | ||||||||||||||||||||||||||||||||||||||||||||||||||||||||||||
| 1 | 2 | 3 | 4 | 5 | 6 | >7 | ||||||||||||||||||||||||||||||||||||||||||||||||||||||||||||
|
|
|
|
|
|
|
||||||||||||||||||||||||||||||||||||||||||||||||||||||||||||
開放式繞線電感 (TRWL) 系列 規格書
貼片開放式繞線超薄高電流電感器 (TRWL) 規格書下載 (685KB)。
貼片電感包裝方式及規格尺寸說明書下載 (346KB)。
片式射頻電感和扼流圈技術應用說明書下載 (283KB)。
電感線圈的選用及電感使用注意事項說明書下載 (373KB)。
薄膜電感器、貼片射頻繞線電感器、鐵氧體磁珠全系列說明書下載 (1,781KB)。
電感器說明書及相關資料下載 (660KB)。
電感線圈專業技術用語說明書下載 (619KB)。
典型 RoHS 回流焊曲線圖文說明下載 (309KB)。
貼片射頻電感器概述及相關說明下載 (260KB)。
電感色碼標識及標稱電感值說明書下載 (507KB)。




