TO-220 功率電阻器
塑封模壓 (RMG20)德鍵 TO-220 功率電阻器 (RMG20) 提供高熱效率。
德鍵電子新一代的 TO220 功率電阻,採用高可靠性,先進的銅質皮膜,提供給設計工程師一個高散熱的工業標準方案。
在至關重要的成本效益和可靠性趨勢下,德鍵提供了 RMG20 系列 TO-220 功率電阻,堅固實用且具有無感性能、低熱阻、使它們非常適合用多種工業應用,如電源,工業控制和汽車。
非貴金屬銅墨絲印的 RMG20 系列電阻,成為有效的替代含鉛的其他厚膜功率電阻器,同時保持優異的熱傳導和熱耗散,是必要的功耗應用要求。
德鍵專有的電阻元件封裝,使得安裝更容易,保護性高,高絕緣度,於低電阻值在更高的額定功率應用,可確保最高質量的無感表現。
工作溫度範圍從 -65°C to +150°C.
德鍵提供標準電值及非規格內的阻值,請聯繫我們與您的特定需求。
特性: :
- 可達 20 瓦工作功率,於 25°C 散熱器溫度。
- 模壓式封裝易於安裝及保護性佳。
- TO-220 功率型封裝。
- 絕緣的外盒。
- 無感/低感。
應用 :
- 高速切換型電源供應器。
- 脈衝發生器的負載電阻。
- VHF 功放器。
- 電壓整流器。
- 緩衝電路。
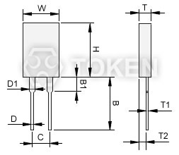
TO-220 (RMG20) 尺寸 (單位: mm)
|
|||||||||||
| 規格 | W | H | T | T1 | T2 | B | B1 | C | D | D1 | |
| RMG20 | 10.15~10.67 | 16.00~16.52 | 2.92~3.44 | 0.40~0.60 | 1.52~2.04 | 11.43~13.97 | 2.54~4.06 | 4.82~5.34 | 0.66~0.86 | 1.14~1.40 | |
TO-220 (RMG20) 電氣特性規格
| 阻值範圍 | 阻值公差 | 溫度系數 (PPM/°C) |
| 0.05Ω~1Ω | ±5.00% ±10.0% |
- |
| 2Ω~5Ω | ±1.00% ±5.00% ±10.0% |
±200 |
| 5Ω~10Ω | ±1.00% ±5.00% ±10.0% |
±100 ±200 |
| 11Ω~10KΩ | ±0.50% ±1.00% ±5.00% ±10.0% |
±50 ±100 ±200 |
最大工作電壓 350V;壓電強度 1800VAC;絕緣阻抗:10GΩ min。
工作溫度:-65°C 到 +150°C;可提供的阻值範圍 < 1Ω。
TO-220 (RMG20) 環境特性規格
| 測試項目 | 規格標準 | 測試條件 |
| 溫度系數 | 10Ω and above, ±50ppm/°C 1Ω and 10Ω, (±100ppm)/°C |
Referenced to 25°C, ΔR taken at +105°C |
| 短時間過負載 | Δ R±0.3% | 2 times rated power with applied voltage not to exceed 1.5 times maximum continuous operating voltage for 5 seconds. |
| 負載壽命 | Δ R±1.0% | MIL-R-39009,2,000 hours at rated power. |
| 耐濕性 (穩定狀態下) | Δ R±0.5% | MIL-STD-202F, Method 103B 40°C, 90~95%RH, RCWV 1.5hours ON, 0.5hours OFF. total 1000~1048 hours. |
| 耐熱性 | Δ R±0.3% | MIL-STD-202, Method 107G. -65°C~150°C,100 cycle |
| 端子強度 | Δ R±0.2% | MIL-STD-202, Method 211, Cond.A(Pull Test) 2.4N. |
| 高頻率震動 | Δ R±0.2% | MIL-STD-202, Method 204, Cond.D. |
引線材質:鍍錫銅線。無散熱器下,在自然對流空氣下 25°C, RMG20 額定功率為 2.25W。
塑裝盒的表面溫度的量測,需用熱電耦量於所使用的散熱器上所安裝本器件的中央位置。
功率的使用極限,取決於塑裝盒的表面溫度。熱油膏需使用正確。
TO-220(RMG20) 降额曲线
|
TO-220 功率電阻 (RMG20) 料號標識
| RMG | 20 | J | P | D | 10R | ||||||||||||||||||||||||||||||||||||||||
| 1 | 2 | 3 | 4 | 5 | 6 | ||||||||||||||||||||||||||||||||||||||||
|
|
|
|
|
|
||||||||||||||||||||||||||||||||||||||||
TO-220 功率皮膜電阻 (RMG20) 系列 規格書
通用型電阻器常用技術用語說明書下載 (434KB)。
各類型電阻器使用注意事項說明書下載 (444KB)。
電阻器 (R) 說明書及相關資料說明書下載 (472KB)。
TO-220, TO-247 模壓型塑封功率電阻器應用指南說明書下載 (403KB)。
TO-220, TO-247 功率皮膜電阻器概述及相關說明下載 (267KB)。
TO-220, TO-247 塑封功率模壓封裝電阻器全系列說明書下載 (685KB)。
塑封模壓型功率皮膜電阻器 TO-220 (RMG20) 系列規格書下載 (422KB)。
選擇最佳性能電阻的具備條件下載 (284KB)。
典型 RoHS 迴流焊曲線圖文說明下載 (309KB)。


