精密貼片電阻器
(AR)德鍵的片式薄膜電阻(AR)創產業精密標杆,增多大功率新選項。
因應市場需求,提高精度和穩定性,德鍵電子擴大了其薄膜晶片電阻器 (AR) 鎳鉻合金系列,並分為三大部分:標準系列,高精度系列,高功率系列。
除了提供寬廣的阻值範圍,緊密的公差精度,和低溫度係數 TCR,德鍵更提供在溫度波動下的高穩定度性 2ppm/°C,和低至 ± 0.01% 的超精密度公差,定義了表面貼裝電阻器的總輪廓。
德鍵 (AR) 精密貼片系列提供下列產品的解決方案:高精度的測試與測量,和電壓調整設計於工業、軍事、和醫療監測設備市場。展現出嚴格緊密的公差,高穩定性的低溫度係數 TCR,和高性能的額定功率。
德鍵 (AR) 系列現在還提供了額外的貼片尺寸。主要增強功能包括提供各種標準尺寸的 AR01(0201), AR02(0402), AR03(0603), AR05(0805), AR06(1206), AR13(1210), AR10(2010), 到 AR12(2512)。
精密 (AR) 的優勢是其內部結構的防滲鈍化層外加正常的保護塗層。在構建 (AR) 芯片系列時,鎳/鉻薄膜材料選擇性沉積在高純氧化鋁襯底上,加上兩端鍍一層鎳,錫金屬。 經過熱處理的 (AR) 貼片,使所需溫度係數(TCR)更加穩定,精確激光控制過程中調整出精確的電阻值。
德鍵 (AR) 系列提供 4Kpc,5Kpc,10Kpc 編帶封裝,符合 RoHS 標準和 100% 無鉛。
常規外的參數或技術要求及特殊應用,請與德鍵聯繫。
下載 PDF 版本: 精密貼片電阻器 (AR)。
特性:
- 最小尺寸可做到 0210
- 緊密公差精度至 ±0.01%
- 超低溫度係數至 ±2PPM/°C
- 100% 無鉛及符合 RoHS 標準
- 寬廣阻值範圍從 1 Ω - 3Mega Ω
- 鈍化保護膜及薄膜 NiCr 表面封裝貼片
常應用於:
- 醫療設備
- 測試/測量設備
- 轉換器,整流器
- 自動化設備控制器
- 打印機設備,消費產品
- 通信設備,移動電話,全球定位系統,掌上電腦
超精密貼片 - AR 系列 外形尺寸
|
|||||||
| 品名 | L (Unit: mm) | W (Unit: mm) | T (Unit: mm) | D1 (Unit: mm) | D2 (Unit: mm) | 重量(g)/(1000pcs) | |
| AR01 (0201) | 0.58±0.05 | 0.29±0.05 | 0.23±0.05 | 0.12±0.05 | 0.15±0.05 | 0.14 | |
| AR02 (0402) | 1.00±0.05 | 0.50±0.05 | 0.30±0.05 | 0.20±0.10 | 0.20±0.10 | 0.54 | |
| AR03 (0603) | 1.55±0.10 | 0.80±0.10 | 0.45±0.10 | 0.30±0.20 | 0.30±0.20 | 1.83 | |
| AR05 (0805) | 2.00±0.15 | 1.25±0.15 | 0.55±0.10 | 0.30±0.20 | 0.40±0.25 | 4.71 | |
| AR06 (1206) | 3.05±0.15 | 1.55±0.15 | 0.55±0.10 | 0.42±0.20 | 0.35±0.25 | 9.02 | |
| AR13 (1210) | 3.10±0.15 | 2.40±0.15 | 0.55±0.10 | 0.40±0.20 | 0.55±0.25 | 10 | |
| AR10 (2010) | 4.90±0.15 | 2.40±0.15 | 0.55±0.10 | 0.60±0.30 | 0.50±0.25 | 23.61 | |
| AR12 (2512) | 6.30±0.15 | 3.10±0.15 | 0.55±0.10 | 0.60±0.30 | 0.50±0.25 | 38.06 | |
標準電氣規格 (AR)
| 品名 | 額定功率 at 70°C |
使用溫度 | 最大 工作電壓 |
最大 負載電壓 |
精度公差 (%) |
阻值範圍 (Ω) |
溫度系數 PPM/°C |
| AR01 (0201) |
1/32W | -55 ~ +155°C | 15V | 30V | ±0.5% ±1% |
49.9Ω~4.99KΩ | ±25 |
| 49.9Ω~33KΩ | ±50 | ||||||
| AR02 (0402) |
1/16W | -55 ~ +155°C | 25V | 50V | ±0.05% | 49.9Ω~12KΩ | ±25, ±50 |
| ±0.1% | 10Ω~255KΩ | ||||||
| ±0.25%, ±0.5%, ±1% | 4.7Ω~511KΩ | ||||||
| AR03 (0603) |
1/16W | -55 ~ +155°C | 50V | 100V | ±0.05% | 4.7Ω~332KΩ | ±25, ±50 |
| ±0.1% | 4.7Ω~1MΩ | ||||||
| ±0.25%, ±0.5%, ±1% | 1Ω~1MΩ | ||||||
| AR05 (0805) |
1/10W | -55 ~ +155°C | 100V | 200V | ±0.05% | 4.7Ω~1MΩ | ±25, ±50 |
| ±0.1% | 4.7Ω~2MΩ | ||||||
| ±0.25%, ±0.5%, ±1% | 1Ω~2MΩ | ||||||
| AR06 (1206) |
1/8W | -55 ~ +155°C | 150V | 300V | ±0.05% | 4.7Ω~1MΩ | ±25, ±50 |
| ±0.1% | 4.7Ω~2.49MΩ | ||||||
| ±0.25%, ±0.5%, ±1% | 1Ω~2.49MΩ | ||||||
| AR13 (1210) |
1/4W | -55 ~ +155°C | 150V | 300V | ±0.05% | 4.7Ω~1MΩ | ±25, ±50 |
| ±0.1% | 4.7Ω~2.49MΩ | ||||||
| ±0.25%, ±0.5%, ±1% | 1Ω~2.49MΩ | ||||||
| AR10 (2010) |
1/4W | -55 ~ +155°C | 150V | 300V | ±0.05% | 4.7Ω~1MΩ | ±25, ±50 |
| ±0.1% | 4.7Ω~3MΩ | ||||||
| ±0.25%, ±0.5%, ±1% | 1Ω~3MΩ | ||||||
| AR12 (2512) |
1/2W | -55 ~ +155°C | 150V | 300V | ±0.05% | 4.7Ω~1MΩ | ±25, ±50 |
| ±0.1% | 4.7Ω~3MΩ | ||||||
| ±0.25%, ±0.5%, ±1% | 1Ω~3MΩ |
|
超精密特殊電氣規格 (AR)
| 品名 | 額定功率 at 70°C |
使用溫度 | 最大 工作電壓 |
最大 負載電壓 |
精度公差 (%) |
阻值範圍 (Ω) |
溫度系數 PPM/°C |
| AR02 (0402) |
1/16W | -55 ~ +155°C | 25V | 50V | ±0.01%, ±0.05%, ±0.1% | 49.9Ω~4.99KΩ | ±2, ±3 |
| ±0.01%, ±0.05%, ±0.1%, ±0.25%, ±0.5%, ±1% | 49.9Ω~4.99KΩ | ±5 | |||||
| ±0.01%, ±0.05% | 49.9Ω~12KΩ | ±10, ±15 | |||||
| ±0.1%, ±0.25%, ±0.5%, ±1% | 49.9Ω~60KΩ | ±10 | |||||
| ±0.1%, ±0.25%, ±0.5%, ±1% | 49.9Ω~69.8KΩ | ±15 | |||||
| AR03 (0603) |
1/16W | -55 ~ +155°C | 50V | 100V | ±0.01%, ±0.05%, ±0.1% | 24.9Ω~15KΩ | ±2, ±3 |
| ±0.01%, ±0.05%, ±0.1%, ±0.25%, ±0.5%, ±1% | 24.9Ω~15KΩ | ±5 | |||||
| ±0.01% | 24.9Ω~100KΩ | ±10, ±15 | |||||
| ±0.05% | 4.7Ω~332KΩ | ±10, ±15 | |||||
| ±0.1%, ±0.25%, ±0.5%, ±1% | 4.7Ω~511KΩ | ±10, ±15 | |||||
| AR05 (0805) |
1/10W | -55 ~ +155°C | 100V | 200V | ±0.01%, ±0.05%, ±0.1% | 24.9Ω~30KΩ | ±2, ±3 |
| ±0.01%, ±0.05%, ±0.1%, ±0.25%, ±0.5%, ±1% | 24.9Ω~30KΩ | ±5 | |||||
| ±0.01 | 24.9Ω~200KΩ | ±10, ±15 | |||||
| ±0.05%, ±0.1%, ±0.25%, ±0.5%, ±1% | 4.7Ω~1MΩ | ±10, ±15 | |||||
| AR06 (1206) |
1/8W | -55 ~ +155°C | 150V | 300V | ±0.01%, ±0.05%, ±0.1% | 24.9Ω~49.9KΩ | ±2, ±3 |
| ±0.01%, ±0.05%, ±0.1%, ±0.25%, ±0.5%, ±1% | 24.9Ω~49.9KΩ | ±5 | |||||
| ±0.01% | 24.9Ω~499KΩ | ±10, ±15 | |||||
| ±0.05%, ±0.1%, ±0.25%, ±0.5%, ±1% | 4.7Ω~1MKΩ | ±10, ±15 | |||||
| AR13 (1210) |
1/4W | -55 ~ +155°C | 150V | 300V | ±0.01%, ±0.05%, ±0.1% | 24.9Ω~49.9KΩ | ±2, ±3 |
| ±0.01%, ±0.05%, ±0.1%, ±0.25%, ±0.5%, ±1% | 24.9Ω~49.9KΩ | ±5 | |||||
| ±0.01% | 24.9Ω~499KΩ | ±10, ±15 | |||||
| ±0.05%, ±0.1%, ±0.25%, ±0.5%, ±1% | 4.7Ω~1MΩ | ±10, ±15 | |||||
| AR10 (2010) |
1/4W | -55 ~ +155°C | 150V | 300V | ±0.01%, ±0.05%, ±0.1% | 24.9Ω~100KΩ | ±2, ±3 |
| ±0.01%, ±0.05%, ±0.1%, ±0.25%, ±0.5%, ±1% | 24.9Ω~100KΩ | ±5 | |||||
| ±0.01% | 24.9Ω~499KΩ | ±10, ±15 | |||||
| ±0.05%, ±0.1%, ±0.25%, ±0.5%, ±1% | 4.7Ω~1MΩ | ±10, ±15 | |||||
| AR12 (2512) |
1/2W | -55 ~ +155°C | 150V | 300V | ±0.01%, ±0.05%, ±0.1% | 24.9Ω~100KΩ | ±2, ±3 |
| ±0.01%, ±0.05%, ±0.1%, ±0.25%, ±0.5%, ±1% | 24.9Ω~100KΩ | ±5 | |||||
| ±0.01% | 24.9Ω~499KΩ | ±10, ±15 | |||||
| ±0.05%, ±0.1%, ±0.25%, ±0.5%, ±1% | 4.7Ω~1MΩ | ±10, ±15 |
|
高功率型-電氣規格 (AR)
| 品名 | 額定功率 at 70°C |
使用溫度 | 最大工作電壓 | 最大負載電壓 | 精度公差 (%) |
阻值範圍 (Ω) |
溫度系數 PPM/°C |
| AR03 (0603) |
1/10W | -55 ~ +155°C | 75V | 150V | ±0.01%, ±0.05%, ±0.1% | 24.9Ω~15KΩ | ±2, ±3 |
| ±0.01%, ±0.05%, ±0.1%, ±0.25%, ±0.5%, ±1% | 24.9Ω~15KΩ | ±5 | |||||
| ±0.01% | 24.9Ω~100KΩ | ±10, ±15, ±25, ±50 | |||||
| ±0.05% | 4.7Ω~332KΩ | ±10, ±15, ±25, ±50 | |||||
| ±0.1%, ±0.25%, ±0.5%, ±1% | 4.7Ω~332KΩ | ±10, ±15 | |||||
| ±0.1%, ±0.25%, ±0.5%, ±1% | 4.7Ω~1MΩ | ±25, ±50 | |||||
| 1/6W | -55 ~ +155°C | 100V | 150V | ±0.05%, ±0.1%, ±0.25%, ±0.5%, ±1% | 10Ω~332KΩ | ±25, ±50 | |
| AR05 (0805) |
1/8W | -55 ~ +155°C | 150V | 300V | ±0.01%, ±0.05%, ±0.1% | 24.9Ω~30KΩ | ±2, ±3 |
| ±0.01%, ±0.05%, ±0.1%, ±0.25%, ±0.5%, ±1% | 24.9Ω~30KΩ | ±5 | |||||
| ±0.01% | 24.9Ω~200KΩ | ±10, ±15, ±25, ±50 | |||||
| ±0.05% | 4.7Ω~511KΩ | ±10, ±15, ±25, ±50 | |||||
| ±0.1%, ±0.25%, ±0.5%, ±1% | 4.7Ω~511KΩ | ±10 | |||||
| ±0.1%, ±0.25%, ±0.5%, ±1% | 4.7Ω~1MΩ | ±15 | |||||
| ±0.1% | 4.7Ω~1MΩ | ±25, ±50 | |||||
| ±0.25%, ±0.5%, ±1% | 1Ω~1MΩ | ±25, ±50 | |||||
| 1/4W | -55 ~ +155°C | 150V | 300V | ±0.05%, ±0.1%, ±0.25%, ±0.5%, ±1% | 10Ω~499KΩ | ±25, ±50 | |
| AR06 (1206) |
1/4W | -55 ~ +155°C | 200V | 400V | ±0.01%, ±0.05%, ±0.1% | 24.9Ω~49.9KΩ | ±2, ±3 |
| ±0.01%, ±0.05%, ±0.1%, ±0.25%, ±0.5%, ±1% | 24.9Ω~49.9KΩ | ±5 | |||||
| ±0.01% | 24.9Ω~499KΩ | ±10, ±15, ±25, ±50 | |||||
| ±0.05%, ±0.1%, ±0.25%, ±0.5%, ±1% | 4.7Ω~1MΩ | ±10, ±15, ±25, ±50 | |||||
| 1/3W | -55 ~ +155°C | 200V | 400V | ±0.05%, ±0.1%, ±0.25%, ±0.5%, ±1% | 10Ω~1MΩ | ±25, ±50 | |
| AR13 (1210) |
1/3W | -55 ~ +155°C | 200V | 400V | ±0.01%, ±0.05%, ±0.1% | 24.9Ω~49.9KΩ | ±2, ±3 |
| ±0.01%, ±0.05%, ±0.1%, ±0.25%, ±0.5%, ±1% | 24.9Ω~49.9KΩ | ±5 | |||||
| ±0.01% | 24.9Ω~499KΩ | ±10, ±15, ±25, ±50 | |||||
| ±0.05%, ±0.1%, ±0.25%, ±0.5%, ±1% | 4.7Ω~1MΩ | ±10, ±15, ±25, ±50 | |||||
| AR10 (2010) |
1/3W | -55 ~ +155°C | 200V | 400V | ±0.01%, ±0.05%, ±0.1% | 24.9Ω~49.9KΩ | ±2, ±3 |
| ±0.01%, ±0.05%, ±0.1%, ±0.25%, ±0.5%, ±1% | 24.9Ω~49.9KΩ | ±5 | |||||
| ±0.01% | 24.9Ω~499KΩ | ±10, ±15, ±25, ±50 | |||||
| ±0.05%, ±0.1%, ±0.25%, ±0.5%, ±1% | 4.7Ω~1MΩ | ±10, ±15, ±25, ±50 | |||||
| AR12 (2512) |
3/4W | -55 ~ +155°C | 200V | 400V | ±0.01% | 24.9Ω~2KΩ | ±10, ±15, ±25, ±50 |
| ±0.05%, ±0.1% | 4.7Ω~2KΩ | ±10, ±15, ±25, ±50 | |||||
| ±0.25%, ±0.5%, ±1% | 1Ω~2KΩ | ±10, ±15, ±25, ±50 | |||||
| 1W | -55 ~ +155°C | 200V | 400V | ±0.1% | 4.7Ω~100Ω | ±25, ±50 | |
| ±0.25%, ±0.5%, ±1% | 1Ω~100Ω | ±25, ±50 |
|
電氣特性測試 (AR)
|
||||
| 項目 | 規格 | 測試方法 | ||
| Tol.≤0.05% | Tol.>0.05% | |||
| 溫度系數 | 如規格 | MIL-STD-202F 304 方法 +25/-55/+25/+125/+25°C 溫度系數 |
||
| 短時間過負荷 | ΔR±0.05% | ΔR±0.5% | JIS-C-5202-5.5 RCWV*2.5或最大過負荷電壓 5 秒 |
|
| ΔR±0.5% for high power rating | ||||
| 耐電壓 | 依規格而定 | MIL-STD-202F 301方法, 施以最大工作電壓一分鐘 |
||
| 絕緣阻抗 | >1000M Ω | MIL-STD-202F 302 方法, 施以 100VDC 一分鐘 |
||
| 熱沖擊 | ΔR±0.05% | ΔR±0.25% | MIL-STD-202F 107G 方法, -55°C~150°C,100 循環 |
|
| 負載壽命 | ΔR±0.05% | ΔR±0.2% | MIL-STD-202F 108A 方法, RCWV, 70°C, 1.5 小時開, 0.5 小時關, 1000~1048 小時 |
|
| >7KΩ ΔR±0.5% | ||||
| ΔR±0.5% for high power rating | ||||
| 耐濕 (穩定狀況下) |
ΔR±0.05% | ΔR±0.3% | MIL-STD-202F 103B 方法, 40°C, 90~95%RH, RCWV 1.5 小時開, 0.5 小時關, 1000~1048 小時 |
|
| ΔR±0.5% for high power rating | ||||
| 耐乾熱 | ΔR±0.05% | ΔR±0.2% | JIS-C-5202-7.2 96 小時 @ +155°C 無負載狀況下 |
|
| 低溫測試 | ΔR±0.05% | ΔR±0.2% | JIS-C-5202-7.1 1 小時, 於 -65°C 下做 45 分鐘的 RCWV |
|
| ΔR±0.5% for high power rating | ||||
| 抗彎強度 | ΔR±0.05% | ΔR±0.2% | JIS-C-5202-6.1.4 彎幅 3mm, 10 秒鐘 |
|
| 可焊性 | 95%min coverage | MIL-STD-202F 208H 方法, 260°C±5°C, 2±0.5(sec) |
||
| 抗焊溫度 | ΔR±0.05% | ΔR±0.2% | MIL-STD-202F 210E 方法, 260±5°C, 10±1 秒鐘 |
|
|
建議使用焊接區 (AR)
|
||||
| 料號 | A (mm) | B (mm) | C (mm) | |
| AR12 | 4.90 | 1.60 | 3.10±0.2 | |
| AR10 | 3.60 | 1.40 | 2.50±0.2 | |
| AR13 | 2.00 | 1.15 | 2.50±0.2 | |
| AR06 | 2.00 | 1.15 | 1.70±0.2 | |
| AR05 | 1.00 | 1.00 | 1.35±0.2 | |
| AR03 | 0.80 | 1.00 | 0.90±0.2 | |
| AR02 | 0.50 | 0.50 | 0.60±0.2 | |
| AR01 | 0.25 | 0.30 | 0.40±0.2 | |
建議焊接條件 (AR)
|
|
|
包裝數量及卷裝規格 (AR)
|
||||||||
| 料號 | ΦA | ΦB | ΦC | W | T | 紙帶 (PCS) |
內襯塑膠帶 (PCS) |
|
| AR01 | 178.0±1.0 | 60.0±1.0 | 13.5±0.7 | 9.5±1.0 | 11.5±1.0 | 10,000 | - | |
| AR02 | 178.0±1.0 | 60.0±1.0 | 13.5±0.7 | 9.5±1.0 | 11.5±1.0 | 10,000 | - | |
| AR03 | 178.0±1.0 | 60.0±1.0 | 13.5±0.7 | 9.5±1.0 | 11.5±1.0 | 5,000 | - | |
| AR05 | 178.0±1.0 | 60.0±1.0 | 13.5±0.7 | 9.5±1.0 | 11.5±1.0 | 5,000 | - | |
| AR06 | 178.0±1.0 | 60.0±1.0 | 13.5±0.7 | 9.5±1.0 | 11.5±1.0 | 5,000 | - | |
| AR13 | 178.0±1.0 | 60.0±1.0 | 13.5±0.7 | 9.5±1.0 | 11.5±1.0 | 5,000 | - | |
| AR10 | 178.0±1.0 | 60.0±1.0 | 13.5±0.7 | 13.5±1.0 | 15.5±1.0 | - | 4,000 | |
| AR12 | 178.0±1.0 | 60.0±1.0 | 13.5±0.7 | 13.5±1.0 | 15.5±1.0 | - | 4,000 | |
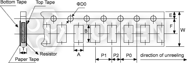
紙帶規格 (AR)
|
|||||||||||
| 料號 | A | B | W | E | F | P0 | P1 | P2 | ΦD0 | T | |
| AR01 | 0.40±0.05 | 0.70±0.05 | 8.00±0.10 | 1.75±0.05 | 3.5±0.05 | 4.00±0.10 | 2.00±0.05 | 2.00±0.05 | 1.55±0.05 | 0.265±0.05 | |
| AR02 | 0.70±0.05 | 1.16±0.05 | 8.00±0.10 | 1.75±0.05 | 3.5±0.05 | 4.00±0.10 | 2.00±0.05 | 2.00±0.05 | 1.55±0.05 | 0.40±0.03 | |
| AR03 | 1.10±0.05 | 1.90±0.05 | 8.00±0.10 | 1.75±0.05 | 3.5±0.05 | 4.00±0.10 | 4.00±0.10 | 2.00±0.05 | 1.55±0.05 | 0.60±0.03 | |
| AR05 | 1.60±0.05 | 2.37±0.05 | 8.00±0.10 | 1.75±0.05 | 3.5±0.05 | 4.00±0.10 | 4.00±0.10 | 2.00±0.05 | 1.55±0.05 | 0.75±0.05 | |
| AR06 | 2.00±0.05 | 3.55±0.05 | 8.00±0.10 | 1.75±0.05 | 3.5±0.05 | 4.00±0.10 | 4.00±0.10 | 2.00±0.05 | 1.55±0.05 | 0.75±0.05 | |
| AR13 | 2.75±0.05 | 3.40±0.05 | 8.00±0.10 | 1.75±0.05 | 3.5±0.05 | 4.00±0.10 | 4.00±0.10 | 2.00±0.05 | 1.60±0.10 | 0.75±0.05 | |
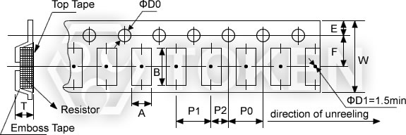
內襯塑膠帶規格 (AR)
|
|||||||||||
| 料號 | A | B | W | E | F | P0 | P1 | P2 | ΦD0 | T | |
| AR10 | 2.85±0.10 | 5.45±0.10 | 12.0±0.10 | 1.75±0.10 | 5.5±0.05 | 4.00±0.05 | 4.00±0.10 | 2.00±0.05 | 1.50+0.10 | 1.00±0.20 | |
| AR12 | 3.40±0.10 | 6.65±0.10 | 12.0±0.10 | 1.75±0.10 | 5.5±0.05 | 4.00±0.05 | 4.00±0.10 | 2.00±0.05 | 1.50+0.10 | 1.00±0.20 | |
剝離力測試 (AR)
|
|
|
料號標示 (AR)
| AR | 05 | B | TR | C3 | X | 4700 | ||||||||||||||||||||||||||||||||||||||||||||||||||||||||||||||||||||||||||||||||||||||||||
| 1 | 2 | 3 | 4 | 5 | 6 | 7 | 8 | |||||||||||||||||||||||||||||||||||||||||||||||||||||||||||||||||||||||||||||||||||||||||
|
|
|
|
|
|
|
|
|||||||||||||||||||||||||||||||||||||||||||||||||||||||||||||||||||||||||||||||||||||||||
0805~2512 4 位範例 標示
| 阻值 | 100Ω | 2.2KΩ | 10KΩ | 49.9KΩ | 100KΩ | 1MΩ |
| 標示 | 1000 | 2201 | 1002 | 4992 | 1003 | 1004 |
0603: 3 位標示 E24 公稱值表
| E24 code | 10 | 11 | 12 | 13 | 15 | 16 | 18 | 20 | 22 | 24 | 27 | 30 | 33 | 36 | 39 | 43 | 47 | 51 | 56 | 62 | 68 | 75 | 82 | 91 |
|
標示表 E96 公稱值表
| code | 02 | 03 | 04 | 06 | 07 | 08 | 09 | 10 | 11 | 13 | 14 | 15 | 16 | 17 | 19 | 20 | 21 | 22 | 23 | 24 | 25 | 26 | 27 |
| E96 | 102 | 103 | 107 | 113 | 115 | 118 | 121 | 124 | 127 | 133 | 137 | 140 | 143 | 147 | 154 | 158 | 162 | 165 | 169 | 174 | 178 | 182 | 187 |
| code | 28 | 29 | 31 | 32 | 33 | 34 | 35 | 36 | 37 | 38 | 39 | 40 | 41 | 42 | 43 | 44 | 45 | 46 | 47 | 48 | 49 | 50 | 51 |
| E96 | 191 | 196 | 205 | 210 | 215 | 221 | 226 | 232 | 237 | 243 | 249 | 255 | 261 | 267 | 274 | 280 | 287 | 294 | 301 | 309 | 316 | 324 | 332 |
| code | 52 | 53 | 54 | 55 | 56 | 57 | 58 | 59 | 60 | 61 | 62 | 63 | 64 | 65 | 66 | 67 | 68 | 69 | 70 | 71 | 72 | 73 | 74 |
| E96 | 340 | 348 | 357 | 365 | 374 | 383 | 392 | 402 | 412 | 422 | 432 | 442 | 453 | 464 | 475 | 487 | 499 | 511 | 523 | 536 | 549 | 562 | 576 |
| code | 75 | 76 | 77 | 78 | 79 | 80 | 81 | 82 | 83 | 84 | 86 | 87 | 88 | 89 | 90 | 91 | 92 | 93 | 94 | 95 | 96 | ||
| E96 | 590 | 604 | 619 | 634 | 649 | 665 | 681 | 698 | 715 | 732 | 768 | 787 | 806 | 825 | 845 | 866 | 887 | 909 | 931 | 953 | 976 |
乘數 E96 標示係數表
| Code | A | B | C | D | E | F | X | Y |
| Multiplier | 100 | 101 | 102 | 103 | 104 | 105 | 10-1 | 10-2 |
貼片精密電阻 (AR) 系列 規格書
選擇最佳性能電阻的具備條件下載 (284KB)。
典型 RoHS 迴流焊曲線圖文說明下載 (309KB)。
通用型電阻器常用技術用語說明書下載 (434KB)。
各類型電阻器使用注意事項說明書下載 (444KB)。
表面貼裝器件應用注意事項說明書下載 (444KB)。
各類型電阻器使用注意事項說明書下載 (444KB)。
電阻器 (R) 說明書及相關資料說明書下載 (472KB)。
如何選擇片式電阻器 & 表面貼裝技術術語說明書下載 (444KB)。
晶片電阻、貼片電阻、片式電阻全系列說明書下載 (1,487KB)。





IR 回流焊
波峰焊 (流焊)


剝離力測試